porterlv Опубліковано: 20 листопада 2023 Поділитись Опубліковано: 20 листопада 2023 4 хвилини тому, Oleg_Igorewich сказав: чи нема у Вас схеми QUANT-9. Схема є лише у Іголкіна, але він її нам не покаже Проте, ви напряму можете у нього запитатись як себе поведе квант у вашій ситуації. Впевнений, що він відповість. Посилання на коментар Поділитися на інших сайтах More sharing options...
porterlv Опубліковано: 20 листопада 2023 Поділитись Опубліковано: 20 листопада 2023 (змінено) 6 хвилин тому, Dalet сказав: а мені потім носять по гарантії - я нічого не включав, він вообще в коробці лежав, такий і був......... Якщо ви знаєте більше - поясніть детальніше з аргументами і фактами. Реально цікаво. Будь ласка. Змінено 20 листопада 2023 користувачем porterlv Посилання на коментар Поділитися на інших сайтах More sharing options...
Oleg_Igorewich Опубліковано: 20 листопада 2023 Автор Поділитись Опубліковано: 20 листопада 2023 2 минуты назад, porterlv сказал: Аксіомою є неприпустимість перевищення максимальної напруги по МРРТ входу. Цілком згоден. Високовольтні АКБ - гарне джерело. Гладкий (без пульсацій) постійний струм без обмеження за током. Саме за принципом використання високовольтних АКБ побудовані деякі ДБЖ - стабілізатори "з накопиченням енергії", що позиціонуються ях вирішення проблеми з сінусом. Виробники "Кванту" мені нічим допомогти не змогли, окрім співчуття. А виробники "Елекс" одразу ж відіслали до таких ДБЖ... Може, якось переробити "Квант" ?... Посилання на коментар Поділитися на інших сайтах More sharing options...
porterlv Опубліковано: 20 листопада 2023 Поділитись Опубліковано: 20 листопада 2023 (змінено) 13 хвилин тому, Oleg_Igorewich сказав: Може, якось переробити "Квант" ?... Ви жартуєте, надіюсь? Як ви то собі уявляєте? Змінено 20 листопада 2023 користувачем porterlv 1 Посилання на коментар Поділитися на інших сайтах More sharing options...
Oleg_Igorewich Опубліковано: 20 листопада 2023 Автор Поділитись Опубліковано: 20 листопада 2023 11 минут назад, porterlv сказал: Схема є лише у Іголкіна, але він її нам не покаже Проте, ви напряму можете у нього запитатись як себе поведе квант у вашій ситуації. Впевнений, що він відповість. Так. Звертався. Як поведе питання не стоїть, бо я бачу, як він себе "веде" :-))) І коли я таке побачив, то подумав, що то мій "Квант-9" вийшов з ладу. Бо я вважав, що він має працювати так, я про нього думав, виходячі з реклами і гарних відгуків та оглядів на "ю-тупі", а не так , як він насправді зроблений :-))) Відключивши все від мережі, подивився аккумуляторним осциллографом та побачив, що то такий синус з мережі йде, а не "Квант" його псує. А "Квант" його не псує і не лікує. То теж привід замислитися, а чи не зоамався він. Отож я зв'язався із співробітниками Іголкіна. Треба віддати їм належне - дуже приємні люди, приємно спілкуватися, знавці своєї справи. Вислухали анамнез, подивилися осцилограми, поспівчували. Дуже чуйні і приємні люди. Запропонували вислати їм мій "Квант" на перевірку. Я за власний кошт вислал прилад до них. Вони його кілька днів перевіряли. Не знайшли проблем і вислали (за свій кошт!!! - добрі Люди) мені обратно. Доки прилад був у них, і вони нічого не знаходили, я їм пропонував гроші, прохав якось доробити, встановити додаткові конденсатори чи змінити прошивку контролера. Все за мій кошт. Не треба ніякої гарантії (тут було про гарантію). Але вони нічого не змогли вдіяти. Отож вже зовсім не до гарантії. Шукаю рішення самостійно. Звернувся до вас, Шановні Фахівці, з надією отримати поради та ідеї щодо вирішення моєї проблеми, що є нагальною. 1 Посилання на коментар Поділитися на інших сайтах More sharing options...
Oleg_Igorewich Опубліковано: 20 листопада 2023 Автор Поділитись Опубліковано: 20 листопада 2023 5 минут назад, porterlv сказал: Ви жартуєте, надіюсь? Як ви то собі уявляєте? Як то кажуть, кожний жарт містить у собі лише частинку жарту Ідея така. "Квант", як сказали "нарізає" синус з амлітудою 220В за зразком, що міститься у нього в ПЗУ. Тобто, працює як ЦАП, або підсилювач D-класу. Щось там від колег Іголкіна було про синхронізацію із вхідною напругою за характерними точками. З того, що Ви писали, можу здогадатися, що Квант також дивиться на перехід через нуль і закорябина у нулі його збиває. Якщоб можна будо засинхронізуватися не за нульом, а десь повище (50-60В), то може це вже вирішило би проблему. А ще, я вважав, що в нього десь має бути така точка в обробці, коли вхідний струм випрямлено, згенеровано імпульси 10кГц, змодульовано їх ШІМ-ом для стібілізації, а потім вже нарізано на синус 220В 50Гц.... Посилання на коментар Поділитися на інших сайтах More sharing options...
porterlv Опубліковано: 20 листопада 2023 Поділитись Опубліковано: 20 листопада 2023 Ідею і її ризики власне обговорюємо. Людина з найбільшим досвідом (Далет) вважає ідею поганою. Але поки аргументація слаба. Пробувати по факту - ризиковано, хто ж схоче... За переробку Кванта забудьте. Розробники не просто так відмовились "щось зробити чи доставити конденсатори". Його переробити - це зробити інший пристрій з іншими принципами і схемотехнікою та програмним забезпеченням. Посилання на коментар Поділитися на інших сайтах More sharing options...
Oleg_Igorewich Опубліковано: 20 листопада 2023 Автор Поділитись Опубліковано: 20 листопада 2023 48 минут назад, porterlv сказал: За переробку Кванта забудьте. Розробники не просто так відмовились "щось зробити чи доставити конденсатори". Дякую, наразі, я так і зрозумів, що "Quant-9" - то викинута штука баксів Навіть у сусіда після його старого тиристорного Елекс-"Герц" з трансформатором на 36 ступеней картина краща. Індуктивність трансформатора трохи згладжує отой злам навколо нуля. Сам він голосно гуде у ритмі спотворень, але всі інші прилади у нього в домі відчувають себе та поводяться спокійніше. В мене є "Елекс-Гібрид" на 7 (чи 9?) ступеней 7кВт. Можу спробувати поставити його замість "Кванту".... Може злам стане гладше, і SNA-5000 почне підмішувати щось від Сонця. Бо зараз анічичирк 2 Посилання на коментар Поділитися на інших сайтах More sharing options...
Oleg_Igorewich Опубліковано: 20 листопада 2023 Автор Поділитись Опубліковано: 20 листопада 2023 (змінено) 1 час назад, porterlv сказал: Ідею і її ризики власне обговорюємо. Людина з найбільшим досвідом (Далет) вважає ідею поганою. Дуже Вам вдячний. І сеньорові Далету також. Ідея дійсно не гарна, бо я дуже втрачаю у потужності. Одна з причин придбання SNA-5000 на заміну Axpert-3600 - це потужність. Зараз я можу спокійнісенько користуватися одночасно електрочайником, мікрохвильовкою та насосом. Але радість була недовгою. Злам синусу вщент зпоплюжив мені увесь каленкор... Змінено 20 листопада 2023 користувачем Oleg_Igorewich граматична правка 1 Посилання на коментар Поділитися на інших сайтах More sharing options...
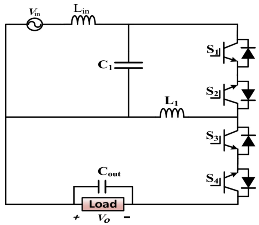
volomoto Опубліковано: 20 листопада 2023 Поділитись Опубліковано: 20 листопада 2023 55 хвилин тому, Oleg_Igorewich сказав: "Квант", як сказали "нарізає" синус з амлітудою 220В за зразком, що міститься у нього в ПЗУ. Я не знаю що вам сказали, але Квант нарізає за зразком вхідної напруги з накладанням певних фільтрів. Квант — це бак-буст конвертор, який може працювати в 4-х квадрантах, тому він працює із змінним струмом. В кванта є більші можливості зрізати зайве із вхідного сигналу, ніж додавати те, чого нема, бо там нема подвійного перетворення. Квант в своєму маркетингу пише про подвійне перетворення без накопичення енергії, але це лише маркетинговий булшіт, бо нема там високовольтної шини, з якої можна нарізати будь-який вихідний сигнал. 1 годину тому, porterlv сказав: Схема є лише у Іголкіна, але він її нам не покаже Силова схема є у вільному доступі, бо це типова схема для AC-AC перетворювача прямої дії. Точніше там є кілька типових схем, які відрізняють ціною, ККД, коефіцієнтом гармонік та тому подібними характеристиками, але всі вони синхронно працюють із вхідним сигналом і будь-яке коригування можна робити тільки в певних межах запасу енергії і тільки в межах одного півперіоду. Одна із схем: Прихований текст 1 1 Посилання на коментар Поділитися на інших сайтах More sharing options...
Dalet Опубліковано: 20 листопада 2023 Поділитись Опубліковано: 20 листопада 2023 26 минут назад, Oleg_Igorewich сказал: Ідея дійсно не гарна, бо я дуже втрачаю у потужності але э варіант...... такий собі теж костиль..... але безпечний - блок зарядний на базі модуля с систем живлення постійним струмом. На струм відповідно бажанню по споживанню. На АКБ його. і буде натуральне подвійне перетворення 2 Посилання на коментар Поділитися на інших сайтах More sharing options...
90BCO Опубліковано: 20 листопада 2023 Поділитись Опубліковано: 20 листопада 2023 4 минуты назад, Dalet сказал: - блок зарядний на базі модуля с систем живлення постійним струмом. На струм відповідно бажанню по споживанню. На АКБ його. і буде натуральне подвійне перетворення Я вірно зрозумів ? : Посилання на коментар Поділитися на інших сайтах More sharing options...
Oleg_Igorewich Опубліковано: 20 листопада 2023 Автор Поділитись Опубліковано: 20 листопада 2023 17 минут назад, volomoto сказал: Квант в своєму маркетингу пише про подвійне перетворення без накопичення енергії, але це лише маркетинговий булшіт, бо нема там високовольтної шини, з якої можна нарізати будь-який вихідний сигнал. Дякую! Об'єктивне резюме... І від того стає трохи прикро, що на те, щоб з'ясувати, що насправді то є "буллшіт" було витрачено $1k і ще трохи часу та нервів... 1 Посилання на коментар Поділитися на інших сайтах More sharing options...
porterlv Опубліковано: 20 листопада 2023 Поділитись Опубліковано: 20 листопада 2023 (змінено) 6 хвилин тому, 90BCO сказав: Я вірно зрозумів ? : Так, вірно. Ще як варіант запаралелити 2 - 3 шт ІБЖ від сотових вишок. Їх доволі дешево продають у нас. наприклад Cherokee CAR1848TN і йому подібні. Хоча, то також тре пробувати, бо у них по входу АПФЦ і хз як воно сприйме спотворення форми До речі, Oleg_Igorewich, а ви не пробували писати претензію в енергокомпанію? Хай би побігали, поаналізували. Змінено 20 листопада 2023 користувачем porterlv 1 Посилання на коментар Поділитися на інших сайтах More sharing options...
90BCO Опубліковано: 20 листопада 2023 Поділитись Опубліковано: 20 листопада 2023 3 минуты назад, porterlv сказал: Спойлер Так, вірно. Ще як варіант запаралелити 2 - 3 шт ІБЖ від сотових вишок. Їх доволі дешево продають у нас. наприклад Cherokee CAR1848TN і йому подібні. Хоча, то також тре пробувати, бо у них по входу АПФЦ і хз як воно сприйме спотворення форми Наступним кроком - вже тільки побутовий ядерний реактор...🙉 2 Посилання на коментар Поділитися на інших сайтах More sharing options...
90BCO Опубліковано: 20 листопада 2023 Поділитись Опубліковано: 20 листопада 2023 6 минут назад, Oleg_Igorewich сказал: Спойлер Дякую! Об'єктивне резюме... І від того стає трохи прикро, що на те, щоб з'ясувати, що насправді то є "буллшіт" було витрачено $1k і ще трохи часу та нервів... То Ви ще Квант-АВС не дочекались! 🤑 Посилання на коментар Поділитися на інших сайтах More sharing options...
Oleg_Igorewich Опубліковано: 20 листопада 2023 Автор Поділитись Опубліковано: 20 листопада 2023 17 минут назад, Dalet сказал: э варіант...... такий собі теж костиль..... але безпечний - блок зарядний на базі модуля с систем живлення постійним струмом. На струм відповідно бажанню по споживанню. На АКБ його. і буде натуральне подвійне перетворення У нас з Вами час від часу думки ніби-то збігаються! Минулого року я саме так робив. Мій Axpert-3600 аж ніяк не хотів працювати від бензинового звичайного генератора. А мережевої електрики не було близько 4-ох діб і Сонце ховалося від нас за суворими тучами... Тож я від генератора його кривий синус давав на оцей СД-420. Він підтримує як раз 24В. 24В постійного струму на АКБ, а з них вже на інвертор. 1 Посилання на коментар Поділитися на інших сайтах More sharing options...
porterlv Опубліковано: 20 листопада 2023 Поділитись Опубліковано: 20 листопада 2023 28 хвилин тому, 90BCO сказав: То Ви ще Квант-АВС не дочекались! 🤑 Я вас не розумію... Квант - прекрасний пристрій і на 100 % виконує заявлене. Те, що навіть він не може допомогти - в конкретному випадку ніразу не погіршує його репутацію. Це якби ви бакланили ферарі, бо не можете розігнатись більше 50 км/год тому що коло вас нема асфальтної дороги. Посилання на коментар Поділитися на інших сайтах More sharing options...
90BCO Опубліковано: 20 листопада 2023 Поділитись Опубліковано: 20 листопада 2023 2 минуты назад, porterlv сказал: Я вас не розумію... Квант - прекрасний пристрій і на 100 % виконує заявлене. 1.То був стьоб; 2.Цілком згоден! Посилання на коментар Поділитися на інших сайтах More sharing options...
Oleg_Igorewich Опубліковано: 20 листопада 2023 Автор Поділитись Опубліковано: 20 листопада 2023 55 минут назад, 90BCO сказал: То Ви ще Квант-АВС не дочекались! 🤑 Від Іголкіна казали, що наступного року вийде спочатку трифазна версія. А однофазна вже тільки згодом... 1 Посилання на коментар Поділитися на інших сайтах More sharing options...
Oleg_Igorewich Опубліковано: 20 листопада 2023 Автор Поділитись Опубліковано: 20 листопада 2023 (змінено) 47 минут назад, porterlv сказал: Квант - прекрасний пристрій і на 100 % виконує заявлене. Не треба було їм писати про "подвійне перетворення" (при фактичній відсутності високовольтної шини) і про дуже гарний "ідеальний" синус... Це вводить у оману. У нього синус на виході може бути ідеальним тільки за умови, що він був ідеальний на вході. Так, цей стабілізатор краще за інші, котрі вміють псувати вхідний синус і видавати на вихід стабільну за напругою потвору. Але ж за такі гроші я сподівався на більше. Я гадаю, що якщо б я перед покупкою поспілкувався з розробниками, показав би оці осциллограми, то вони б мене відговорили купувати їх пристрій. Бо вони справляють враження чесних та чемних порядних людей. Але ж пристрій я купив майже рік тому, а ТАКІ проблеми у мережі з'явилися кілька тижнів як. І як покупцеві мені було б дивно чути: "отакі вади синусу ми виправляємо, а такі - ні". Бо, як на мене, я очікував, що це не "Ферарі", а "ЛуАЗ", якому будь-яке бездоріжжя (тобто синус, косінус, меандр чи котангенс) не більше ніж по коліно.... Змінено 20 листопада 2023 користувачем Oleg_Igorewich Посилання на коментар Поділитися на інших сайтах More sharing options...
Oleg_Igorewich Опубліковано: 20 листопада 2023 Автор Поділитись Опубліковано: 20 листопада 2023 1 час назад, porterlv сказал: ви не пробували писати претензію в енергокомпанію? Хай би побігали, поаналізували. На жаль, ця опція мені недоступна. Ми тут маємо самі вирішувати свої проблеми... Можу розраховувати тільки на Вашу і коллег інформаційну підтримку. Посилання на коментар Поділитися на інших сайтах More sharing options...
porterlv Опубліковано: 20 листопада 2023 Поділитись Опубліковано: 20 листопада 2023 (змінено) 1 година тому, Oleg_Igorewich сказав: Не треба було їм писати про "подвійне перетворення" (при фактичній відсутності високовольтної шини) і про дуже гарний "ідеальний" синус... Це вводить у оману. Для прикладу, Безперебійники двійного перетворення "Руцельф", у них є шина високої ДС. Але напруга на шині формується за допомогою АПФЦ. З вашою ослограмою, вони скоріш за все теж дурітимуть... Або перейдуть на батареї і чекатимуть нормального синуса. Вони також вводять в оману? Змінено 20 листопада 2023 користувачем porterlv Посилання на коментар Поділитися на інших сайтах More sharing options...
Oleg_Igorewich Опубліковано: 20 листопада 2023 Автор Поділитись Опубліковано: 20 листопада 2023 (змінено) 39 минут назад, porterlv сказал: З вашою ослограмою, вони скоріш за все теж дурітимуть... Потрібна принципово інакша схемотехніка. Я про, це до речі, писав команді Іголкіна. Ось так з колін на коліса вони не готові її реалізувати. Треба на вході поставити випрямляч, потім фільтр, потім високочастотний перетворювач на кшталт імпульсного БП, потім ВЧ трансформатор, після чого знову випрямляч, фільтр/накопичувач (просто великий конденсатор, чим вища частота ВЧ перетворювача, тим менша ємність знадобиться), а потім інвертор - генератор 50Гц 220В. І такий виріб вирішив би мою проблему. Коли купував QUANT-9, я вважав за очевидне, що він якось так і побудований. Прилад , побудований за такою концепцією може приймати на вхід будь що. Хоч постійний струм будь-якої полярності, хоч змінний будь якої форми. Саме цього я очікую від прилада за $1k. Я розумію, що то його відпускна ринкова ціна. При більш-менш масовому виробництві собівартість буде кратно нижчою. Змінено 20 листопада 2023 користувачем Oleg_Igorewich Посилання на коментар Поділитися на інших сайтах More sharing options...
porterlv Опубліковано: 20 листопада 2023 Поділитись Опубліковано: 20 листопада 2023 Таку схемотехніку реалізувати на велику потужність дуже затратно і габаритно. Звідси малий попит і обмежена пропозиція. І космічні ціни... 1 Посилання на коментар Поділитися на інших сайтах More sharing options...
Рекомендовані повідомлення
Створіть акаунт або увійдіть у нього для коментування
Ви маєте бути користувачем, щоб залишити коментар
Створити акаунт
Зареєструйтеся для отримання акаунта. Це просто!
Зареєструвати акаунтУвійти
Вже зареєстровані? Увійдіть тут.
Увійти зараз