lagish Опубліковано: 21 квітня 2019 Поділитись Опубліковано: 21 квітня 2019 конфирмат 50*7 в отверстие 5? В идеале сверло под конфирмат.Или 7мм в пласти и 4.5мм в торец. Посилання на коментар Поділитися на інших сайтах More sharing options...
Игорь&Ира Опубліковано: 21 квітня 2019 Поділитись Опубліковано: 21 квітня 2019 В идеале сверло под конфирмат. Специальное конфирматное сверло. Или 7мм в пласти и 4.5мм в торец. Не понял. Посилання на коментар Поділитися на інших сайтах More sharing options...
lagish Опубліковано: 21 квітня 2019 Поділитись Опубліковано: 21 квітня 2019 Не понял. Если нет специального сверла используют два обычных,диаметром 7 и 4,5мм сответственно.7мм для отверстия в боковине,4,5 в перемычке. 1 Посилання на коментар Поділитися на інших сайтах More sharing options...
Игорь&Ира Опубліковано: 21 квітня 2019 Поділитись Опубліковано: 21 квітня 2019 Если нет специального сверла используют два обычных,диаметром 7 и 4,5мм сответственно.7мм для отверстия в боковине,4,5 в перемычке. Сначала 4,5, потом 7, или наоборот? Посилання на коментар Поділитися на інших сайтах More sharing options...
lagish Опубліковано: 21 квітня 2019 Поділитись Опубліковано: 21 квітня 2019 Сначала 4,5, потом 7, или наоборот? В одной детали-7,в другой-4,5 Посилання на коментар Поділитися на інших сайтах More sharing options...
Игорь&Ира Опубліковано: 21 квітня 2019 Поділитись Опубліковано: 21 квітня 2019 В одной детали-7,в другой-4,5 Какой порядок применения сверл? Посилання на коментар Поділитися на інших сайтах More sharing options...
lagish Опубліковано: 21 квітня 2019 Поділитись Опубліковано: 21 квітня 2019 Какой порядок применения сверл? Порядок не имеет значения,детали сверлят отдельно. 1 Посилання на коментар Поділитися на інших сайтах More sharing options...
Игорь&Ира Опубліковано: 22 квітня 2019 Поділитись Опубліковано: 22 квітня 2019 Порядок не имеет значения,детали сверлят отдельно. А если боковину и фасад соединить металлическим уголком? Посилання на коментар Поділитися на інших сайтах More sharing options...
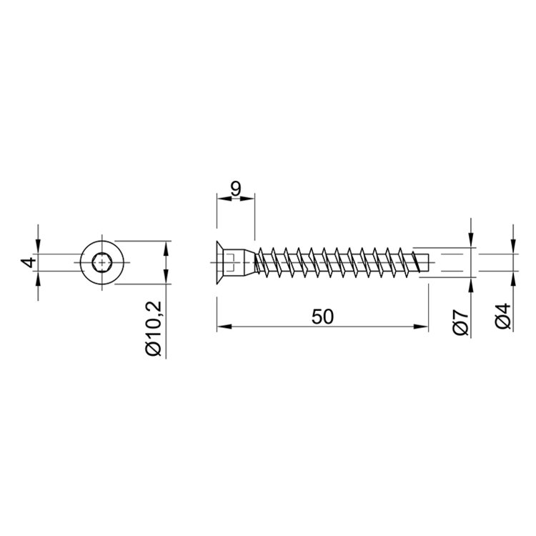
AlSkil Опубліковано: 23 квітня 2019 Поділитись Опубліковано: 23 квітня 2019 В одной детали-7,в другой-4,5 насправді сверло під конформат працює дещо інакше. *під конформат 7*50. менший діаметр сверло 5 - це сверлить деталь в торець і частково деталь в площині середній діаметр 7 - це сверлить частково деталь в площині, але не на скрізь, там залишаеться частина отвору біля 3-5мм по глибині діаметру 5мм діаметр 10,5-11мм - це зенковка дял шляпки конформату, А варіант 7 мм в одній деталі та 5 мм в іншій, то є неправильно. І це не НМД, а так воно і є. Я знаю що можуть мені заперечити - що працюють на рику Н років, клієнти задоволені, і таке інше... Добавлено через 1 минуту Порядок не имеет значения,детали сверлят отдельно. Хто сказав? 1 Посилання на коментар Поділитися на інших сайтах More sharing options...
Игорь&Ира Опубліковано: 23 квітня 2019 Поділитись Опубліковано: 23 квітня 2019 Ще трохи картинок: Посилання на коментар Поділитися на інших сайтах More sharing options...
Игорь&Ира Опубліковано: 8 травня 2019 Поділитись Опубліковано: 8 травня 2019 Я правильно понимаю, что эти штучки в журнальном столике для фиксации столешницы? А какая может быть замена попроще? Посилання на коментар Поділитися на інших сайтах More sharing options...
Волчок Опубліковано: 8 травня 2019 Поділитись Опубліковано: 8 травня 2019 Я правильно понимаю, что эти штучки в журнальном столике для фиксации столешницы? А какая может быть замена попроще? А что может быть еще проще? Посилання на коментар Поділитися на інших сайтах More sharing options...
Игорь&Ира Опубліковано: 8 травня 2019 Поділитись Опубліковано: 8 травня 2019 А что может быть еще проще? Может металлический уголок? Посилання на коментар Поділитися на інших сайтах More sharing options...
rul.32 Опубліковано: 8 травня 2019 Поділитись Опубліковано: 8 травня 2019 Может металлический уголок? Не желательно.У вас правильный плавающий крепеж,на так называемые "сухари".А что с ними не так? Есть аналоги металлические типа восьмерка,но под них все равно нужен пропил в царге. 1 Посилання на коментар Поділитися на інших сайтах More sharing options...
Игорь&Ира Опубліковано: 9 травня 2019 Поділитись Опубліковано: 9 травня 2019 Не желательно.У вас правильный плавающий крепеж,на так называемые "сухари".А что с ними не так? Есть аналоги металлические типа восьмерка,но под них все равно нужен пропил в царге. Ето старий журнальний столик с металлическим каркасом. Хочу заменить все ДСП: нарезать на ... и самому собрать. А как називаются ети восьмерки? Посилання на коментар Поділитися на інших сайтах More sharing options...
AMG72 Опубліковано: 13 травня 2019 Поділитись Опубліковано: 13 травня 2019 Посадите столешню на минификсы к царгам. 1 Посилання на коментар Поділитися на інших сайтах More sharing options...
Antrate Опубліковано: 13 травня 2019 Поділитись Опубліковано: 13 травня 2019 Чем и как просверлить отверстие 12 мм в мойке Franke Ronda ROG 610 ? Посилання на коментар Поділитися на інших сайтах More sharing options...
Borisg Опубліковано: 13 травня 2019 Поділитись Опубліковано: 13 травня 2019 Чем и как просверлить отверстие 12 мм в мойке Franke Ronda ROG 610 ? Сверлом для плитки. Я думаю, что подойдет любой вариант, перо или коронка алмазная. 1 Посилання на коментар Поділитися на інших сайтах More sharing options...
Dmode Опубліковано: 20 травня 2019 Поділитись Опубліковано: 20 травня 2019 каким делать вот этот выступ (нависание столешницы над фасадами) и делать ли его вообще? Посилання на коментар Поділитися на інших сайтах More sharing options...
Antrate Опубліковано: 20 травня 2019 Поділитись Опубліковано: 20 травня 2019 Разлитая жидкость на столешнице стекает по краю и, если поток не большой, то капельник снизу выполняет свою функцию и жидкость не попадает на фасады. Иначе все разлитое будет на фасадах и в ящиках. 1 Посилання на коментар Поділитися на інших сайтах More sharing options...
max_13 Опубліковано: 20 травня 2019 Поділитись Опубліковано: 20 травня 2019 каким делать вот этот выступ (нависание столешницы над фасадами) и делать ли его вообще? в кухнях с ручками делают, в кухнях без ручек нет 1 Посилання на коментар Поділитися на інших сайтах More sharing options...
Dmode Опубліковано: 20 травня 2019 Поділитись Опубліковано: 20 травня 2019 А как этот торец торчащий правильно отделать? Поклейка кромки, накладка какая-то? Посилання на коментар Поділитися на інших сайтах More sharing options...
Antrate Опубліковано: 20 травня 2019 Поділитись Опубліковано: 20 травня 2019 Разве это не край столешницы? Посилання на коментар Поділитися на інших сайтах More sharing options...
Dmode Опубліковано: 20 травня 2019 Поділитись Опубліковано: 20 травня 2019 Разве это не край столешницы? Вроде край, ну или торец . А он сразу отделанным идет? Посилання на коментар Поділитися на інших сайтах More sharing options...
Antrate Опубліковано: 20 травня 2019 Поділитись Опубліковано: 20 травня 2019 А он сразу отделанным идет? Как бы да))) Кроме того, края столешниц имеют разные формы. Например www.mebsvit.com.ua/lyuksformstol/ 1 Посилання на коментар Поділитися на інших сайтах More sharing options...
Рекомендовані повідомлення
Створіть акаунт або увійдіть у нього для коментування
Ви маєте бути користувачем, щоб залишити коментар
Створити акаунт
Зареєструйтеся для отримання акаунта. Це просто!
Зареєструвати акаунтУвійти
Вже зареєстровані? Увійдіть тут.
Увійти зараз