serjik_007 Опубліковано: 14 лютого 2025 Поділитись Опубліковано: 14 лютого 2025 Порадьте пліз як краще. Треба прокласти в землі на глибині до 20 см електрокабель (3х4 моноліт) довжиною 50 метрів. Буде один поворот на 90 градусів. Який варіант краще: 1. Броньований кабель одразу в землю. 2. Неброньований кабель спочатку в поліетиленову водопровідну трубу, а потім в землю. По грошах виходить один на один, а ось по роботі більше гемора з "гофрою". Крім того, в "Гофру" боюся що не зможу запхати всі 50 метрів монолітного кабелю січенням 4 мм. місце закопки кабелю - вздовж забору з бетонним фундаментом з моєї сторони ділянки (тобто фізичне пошкодження лопатою, граблями та іншими інструментами мінімізується). Чи можна закопати просто броньований кабель, чи не вийде він з ладу протягом декількох років в силу погодніх умов (вода, мороз,...)? Посилання на коментар Поділитися на інших сайтах More sharing options...
smotesko Опубліковано: 14 лютого 2025 Поділитись Опубліковано: 14 лютого 2025 8 хвилин тому, serjik_007 сказав: Чи можна закопати просто броньований кабель То ж він якраз призначений для закопування, звісно можна. 2 Посилання на коментар Поділитися на інших сайтах More sharing options...
Телесистемы Опубліковано: 14 лютого 2025 Поділитись Опубліковано: 14 лютого 2025 4 часа назад, serjik_007 сказал: Порадьте пліз як краще. Треба прокласти в землі на глибині до 20 см електрокабель (3х4 моноліт) довжиною 50 метрів. Буде один поворот на 90 градусів. Який варіант краще: 1. Броньований кабель одразу в землю. 2. Неброньований кабель спочатку в поліетиленову водопровідну трубу, а потім в землю. По грошах виходить один на один, а ось по роботі більше гемора з "гофрою". Крім того, в "Гофру" боюся що не зможу запхати всі 50 метрів монолітного кабелю січенням 4 мм. місце закопки кабелю - вздовж забору з бетонним фундаментом з моєї сторони ділянки (тобто фізичне пошкодження лопатою, граблями та іншими інструментами мінімізується). Чи можна закопати просто броньований кабель, чи не вийде він з ладу протягом декількох років в силу погодніх умов (вода, мороз,...)? АВБбШв/ВБбШв будет сложнее в разделке АВГВГ/ВВГ прокладывается в ПНД , можно кусками , на соединительных муфтах Посилання на коментар Поділитися на інших сайтах More sharing options...
Humanite Опубліковано: 14 лютого 2025 Поділитись Опубліковано: 14 лютого 2025 5 годин тому, serjik_007 сказав: По грошах виходить один на один, а ось по роботі більше гемора з "гофрою". Крім того, в "Гофру" боюся що не зможу запхати всі 50 метрів монолітного кабелю січенням 4 мм. А в чому гемор? Ви чули про таку туку як пилосмокт? Прив'язуєте на мотузку поліетиленовий пакет, вставляєте в трубу а з іншого боку під'єднаєте пилосмокт. Три хвилини і мотузка продіта в трубу. Далі кріпите свій кабель до мотузки, змащуєте його мастилом або рідиною для миття посуду і ще за кілька хвилин кабель опиняється в трубі. Жодних складнощів... 1 Посилання на коментар Поділитися на інших сайтах More sharing options...
AndryG Опубліковано: 15 лютого 2025 Поділитись Опубліковано: 15 лютого 2025 20 годин тому, Vladdi сказав: Ви точно читали Кодекс? Є вимога до опломбування вузла обліку. А те, що в його складі повинні бути реле напруги, то ваші фантазії. Стандартний мінімальний вузол обліку це ввідний автомат та лічильник. Крапка. Все інше можливо встановлювати в будинку або в іншому щитку. Звісно, якщо кортить встановити у вузол обліку якесь обладнання, до якого в майбутньому без розпломбування не дістатись, то примха замовника. Але що робити, якщо РН увійде в режим, який потребує, наприклад, натискання кнопок керування, а саме РН знаходиться в опломбованій зоні ящика? Я точно читав кодекс. Саме ваші слова "реле повинно бути у складі вузла обліку" і є саме фантазією і саме вашою. Кнопки тиснути на тому ж зубрі вам ніхто не дасть. Для того його і пломбують, фантазер хамовитий. 1 1 Посилання на коментар Поділитися на інших сайтах More sharing options...
Vikctor Опубліковано: 15 лютого 2025 Поділитись Опубліковано: 15 лютого 2025 1 час назад, AndryG сказал: Кнопки тиснути на тому ж зубрі вам ніхто не дасть. Для того його і пломбують Підтверджую. Посилання на коментар Поділитися на інших сайтах More sharing options...
TaurosRMK Опубліковано: 15 лютого 2025 Поділитись Опубліковано: 15 лютого 2025 Як знайти причину чому не працює вентилятор? Є старенький зволожувач / мийка повітря Venta LW25, років йому десь більше 10 точно. Працював добре, з часом почали кнопки заїдати, не працювало перемикання швидкостей вентилятора (1-2-3), а також захисні контакти не завжди спрацьовували. Тобто коли кришку знімаєш, то живлення розривається і вентилятор зупиняється, якщо поставити назад то не з першого разу розпізнавалося що все ок. Приходилося по декілька разів переставляти, щоб роздуплився і почав працювати. Багато років пролежав без діла у родичів, забрав собі, бо треба було зволожувача, працював лише якщо один раз запустити і не чіпати, чуть трохи зрушив кришку чи кнопку натиснув не так, міг вимкнутися і дальше треба знову танцювати поки запрацює. Працював так близько місця, потім був перекур, нещодавно знову вирішив запустити і при вставлянні блоку живлення в розетку запахло жареним з цього блоку, на самому зволожувачі ніякої реакції, світлодіоди не світяться. Розібрав блок, помітив що конденсатор лопнув, замовив новий блок, там 24В. Для перевірки вирішив попробувати блок 12В, в теорії мали б хоча би світлодіоди загорітися, точніше один, який сигналізує що кришка знята. Ніфіга, ніякої реакції. Також знайшов блок від старого ноутбуку, 19.5В, та сама ситуація. Отримав блок на 24В - результату також немає. У зволожувача є дві плати - зверху плата з кноками і світлодіодами, а всередині основна плата з вентилятором, з'єднюються шлейфом. Ось схема плати з кнопками і фото плати. Прозвонював все що можна, живлення від штекера до шлейфу і на основну плату доходить (вони на протилежних сторонах). Дивно виглядають світлодіоди, наче як згорівші. Мультиметром прозвонюю і світить лише один, який сигналізує про зняту кришку (тобто помилка), інші чотири не світять. Прихований текст Значить проблема десь в основній платі, але там багато всього і як знайти в чому причина - тут трохи складніше. Схеми плати не знайшов, тому тільки фото. Прихований текст Посилання на коментар Поділитися на інших сайтах More sharing options...
Vikctor Опубліковано: 15 лютого 2025 Поділитись Опубліковано: 15 лютого 2025 3 минуты назад, TaurosRMK сказал: Як знайти причину чому не працює вентилятор? Є старенький зволожувач / мийка повітря Venta LW25, років йому десь більше 10 точно. Працював добре, з часом почали кнопки заїдати, не працювало перемикання швидкостей вентилятора (1-2-3), а також захисні контакти не завжди спрацьовували. Тобто коли кришку знімаєш, то живлення розривається і вентилятор зупиняється, якщо поставити назад то не з першого разу розпізнавалося що все ок. Приходилося по декілька разів переставляти, щоб роздуплився і почав працювати. Багато років пролежав без діла у родичів, забрав собі, бо треба було зволожувача, працював лише якщо один раз запустити і не чіпати, чуть трохи зрушив кришку чи кнопку натиснув не так, міг вимкнутися і дальше треба знову танцювати поки запрацює. Працював так близько місця, потім був перекур, нещодавно знову вирішив запустити і при вставлянні блоку живлення в розетку запахло жареним з цього блоку, на самому зволожувачі ніякої реакції, світлодіоди не світяться. Розібрав блок, помітив що конденсатор лопнув, замовив новий блок, там 24В. Для перевірки вирішив попробувати блок 12В, в теорії мали б хоча би світлодіоди загорітися, точніше один, який сигналізує що кришка знята. Ніфіга, ніякої реакції. Також знайшов блок від старого ноутбуку, 19.5В, та сама ситуація. Отримав блок на 24В - результату також немає. У зволожувача є дві плати - зверху плата з кноками і світлодіодами, а всередині основна плата з вентилятором, з'єднюються шлейфом. Ось схема плати з кнопками і фото плати. Прозвонював все що можна, живлення від штекера до шлейфу і на основну плату доходить (вони на протилежних сторонах). Дивно виглядають світлодіоди, наче як згорівші. Мультиметром прозвонюю і світить лише один, який сигналізує про зняту кришку (тобто помилка), інші чотири не світять. Показать контент Значить проблема десь в основній платі, але там багато всього і як знайти в чому причина - тут трохи складніше. Схеми плати не знайшов, тому тільки фото. Показать контент Вам вже треба або окрему тему про свій вентилятор створити, або може вже книгу написати. 4 1 Посилання на коментар Поділитися на інших сайтах More sharing options...
TaurosRMK Опубліковано: 15 лютого 2025 Поділитись Опубліковано: 15 лютого 2025 6 хвилин тому, Vikctor сказав: або може вже книгу написати Як ви живете, якщо не можете 3 абзаци прочитати? Посилання на коментар Поділитися на інших сайтах More sharing options...
ЯД Опубліковано: 15 лютого 2025 Поділитись Опубліковано: 15 лютого 2025 54 хвилини тому, TaurosRMK сказав: Як знайти причину чому не працює вентилятор? Є старенький зволожувач / мийка повітря Venta LW25, років йому десь більше 10 точно. Працював добре, з часом почали кнопки заїдати, не працювало перемикання швидкостей вентилятора (1-2-3), а також захисні контакти не завжди спрацьовували. Тобто коли кришку знімаєш, то живлення розривається і вентилятор зупиняється, якщо поставити назад то не з першого разу розпізнавалося що все ок. Приходилося по декілька разів переставляти, щоб роздуплився і почав працювати. Багато років пролежав без діла у родичів, забрав собі, бо треба було зволожувача, працював лише якщо один раз запустити і не чіпати, чуть трохи зрушив кришку чи кнопку натиснув не так, міг вимкнутися і дальше треба знову танцювати поки запрацює. Працював так близько місця, потім був перекур, нещодавно знову вирішив запустити і при вставлянні блоку живлення в розетку запахло жареним з цього блоку, на самому зволожувачі ніякої реакції, світлодіоди не світяться. Розібрав блок, помітив що конденсатор лопнув, замовив новий блок, там 24В. Для перевірки вирішив попробувати блок 12В, в теорії мали б хоча би світлодіоди загорітися, точніше один, який сигналізує що кришка знята. Ніфіга, ніякої реакції. Також знайшов блок від старого ноутбуку, 19.5В, та сама ситуація. Отримав блок на 24В - результату також немає. У зволожувача є дві плати - зверху плата з кноками і світлодіодами, а всередині основна плата з вентилятором, з'єднюються шлейфом. Ось схема плати з кнопками і фото плати. Прозвонював все що можна, живлення від штекера до шлейфу і на основну плату доходить (вони на протилежних сторонах). Дивно виглядають світлодіоди, наче як згорівші. Мультиметром прозвонюю і світить лише один, який сигналізує про зняту кришку (тобто помилка), інші чотири не світять. Показати вміст Значить проблема десь в основній платі, але там багато всього і як знайти в чому причина - тут трохи складніше. Схеми плати не знайшов, тому тільки фото. Показати вміст А может с платами все ок, просто где то совсем перегнили/окислились контакты? Посилання на коментар Поділитися на інших сайтах More sharing options...
vbb Опубліковано: 15 лютого 2025 Поділитись Опубліковано: 15 лютого 2025 1 година тому, TaurosRMK сказав: Прозвонював все що можна, живлення від штекера до шлейфу і на основну плату доходить у вас є ці напруги? Посилання на коментар Поділитися на інших сайтах More sharing options...
Vikctor Опубліковано: 15 лютого 2025 Поділитись Опубліковано: 15 лютого 2025 1 час назад, TaurosRMK сказал: Як ви живете, якщо не можете 3 абзаци прочитати? Я навіть не намагаюся вашу творчисть охопити, бо максимально не цікаво. Я не розумію тих, кому не можуть допомогти з першого чи другого разу, але вони вперто продовжує битись в ті сами дверцята. 1 Посилання на коментар Поділитися на інших сайтах More sharing options...
TaurosRMK Опубліковано: 15 лютого 2025 Поділитись Опубліковано: 15 лютого 2025 (змінено) 2 години тому, ЯД сказав: А может с платами все ок, просто где то совсем перегнили/окислились контакты? Не знаю, візуально на платі нічого не окислилося, конденсатори в нормі. 2 години тому, vbb сказав: у вас є ці напруги? А це не заміряв, відстань між контактами дуже мала, треба акуратно це робити і щоб вентилятор не стартанув випадково. Контакти в колодці в два ряди, треба ще не поплутати номери )) Також можливо ця напруга на декотрих виходах виникає саме в робочому стані. Треба попробувати. + Заміряв тільки вхідні 24В, тобто вихід 1 і 3, там є 24В. Змінено 15 лютого 2025 користувачем TaurosRMK Посилання на коментар Поділитися на інших сайтах More sharing options...
TaurosRMK Опубліковано: 15 лютого 2025 Поділитись Опубліковано: 15 лютого 2025 45 хвилин тому, Vikctor сказав: Я не розумію тих, кому не можуть допомогти з першого чи другого разу, але вони вперто продовжує битись в ті сами дверцята. Я не розумію що ви собі там придумали, але я тільки сьогодні розібрав цей зволожувач щоб детально оглянути плати, тому ніяк не міг писати про нього раніше. Але може то вам сниться вже, що я раніше питав про це, так щей неодноразово 😁 Це вже ваші проблеми, займайтеся своїми справами. 1 1 Посилання на коментар Поділитися на інших сайтах More sharing options...
vbb Опубліковано: 16 лютого 2025 Поділитись Опубліковано: 16 лютого 2025 9 годин тому, TaurosRMK сказав: саме в робочому стані. Треба попробувати. два стовпчики - ліворуч - показують рівень напруги в стані st-by і праворуч - у стані ON 1 Посилання на коментар Поділитися на інших сайтах More sharing options...
Dendnepr Опубліковано: 16 лютого 2025 Поділитись Опубліковано: 16 лютого 2025 В 14.02.2025 в 16:46, serjik_007 сказал: По грошах виходить один на один, а ось по роботі більше гемора з "гофрою". Крім того, в "Гофру" боюся що не зможу запхати всі 50 метрів монолітного кабелю січенням 4 мм. Я кабель ввнг 4*10 запхав в пластикову трубу 25-27 метрів. За допомогою пилососа мотузку, до тої мотузки - іншу мотузку Більш міцну. Потім вже кабель і протягнув. Тільки спочатку випрямив трубу і кабель, і протягував в пряму трубу, без поворотів. так легше йшло. А вже потім вкладав у землю та згибав. Посилання на коментар Поділитися на інших сайтах More sharing options...
Andrew Sh. Опубліковано: 16 лютого 2025 Поділитись Опубліковано: 16 лютого 2025 (змінено) Добрий день, з теми про насоси переходжу сюди) Насос для свердловини планується 1,5 кВт. Кабель довжиною 70 м. Багатожильний 3*2,5, правильно ? А який тип ізоляції, якщо він буде у воді? Змінено 16 лютого 2025 користувачем Andrew Sh. Посилання на коментар Поділитися на інших сайтах More sharing options...
ЯД Опубліковано: 16 лютого 2025 Поділитись Опубліковано: 16 лютого 2025 (змінено) 9 хвилин тому, Andrew Sh. сказав: Багатожильний 3*2,5, правильно ? У водолея 4*0.75 на 50м был с завода (по паспорту 1квт). По изоляции -хз Змінено 16 лютого 2025 користувачем ЯД Посилання на коментар Поділитися на інших сайтах More sharing options...
TaurosRMK Опубліковано: 16 лютого 2025 Поділитись Опубліковано: 16 лютого 2025 10 годин тому, vbb сказав: рівень напруги в стані st-by Напруги всі є. Правда блок живлення видає аж 25.6В, відповідно напруги там де 5В є 5В, а де 20+, там на 1.5В більше. Але все відповідає схемі, напруга на кожному піні присутня. Посилання на коментар Поділитися на інших сайтах More sharing options...
vbb Опубліковано: 16 лютого 2025 Поділитись Опубліковано: 16 лютого 2025 9 хвилин тому, TaurosRMK сказав: Напруги всі є. Правда блок живлення видає аж 25.6В, відповідно напруги там де 5В є 5В, а де 20+, там на 1.5В більше. Але все відповідає схемі, напруга на кожному піні присутня. тепер зажати кнопку PWR та поміряти знов. мотор може запуститися. також міряти при нажиманні кожної - окремо 1 Посилання на коментар Поділитися на інших сайтах More sharing options...
Andrew Sh. Опубліковано: 17 лютого 2025 Поділитись Опубліковано: 17 лютого 2025 16.02.2025 в 13:06, Andrew Sh. сказав: Насос для свердловини планується 1,5 кВт. Кабель довжиною 70 м. Багатожильний 3*2,5, правильно ? А який тип ізоляції, якщо він буде у воді? То що скажете? 3*2,5 норм? Посилання на коментар Поділитися на інших сайтах More sharing options...
ЯД Опубліковано: 17 лютого 2025 Поділитись Опубліковано: 17 лютого 2025 3 хвилини тому, Andrew Sh. сказав: То що скажете? 3*2,5 норм? Насос какой? А точнее лучше посмотреть какой провод необходим насосу из доки по насосу. Как можно знать нужен вам 3, 4 или 5 или больше жил? Посилання на коментар Поділитися на інших сайтах More sharing options...
Дорофеев Сергей Опубліковано: 17 лютого 2025 Поділитись Опубліковано: 17 лютого 2025 2 часа назад, ЯД сказал: Насос какой? Явно не 12 кВт. Уверен что не 380. Конечно 3 жилы. Допускаю 5. Но зачем там провод 4 жилы? Посилання на коментар Поділитися на інших сайтах More sharing options...
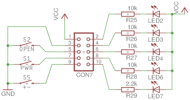
TaurosRMK Опубліковано: 17 лютого 2025 Поділитись Опубліковано: 17 лютого 2025 16.02.2025 в 13:49, vbb сказав: тепер зажати кнопку PWR та поміряти знов. мотор може запуститися. також міряти при нажиманні кожної - окремо Переміряв, натискав кожну кнопку, реакції ніякої, тобто напруга не змінюється. Тільки на одному піні при натисканні одної кнопки напруга падає. Пін №5, кнопка BTN_OPEN, в нормальному стані розімкнута, замикаєтсья коли розбираєтсья верхня частина корпусу. Всі інші комбінації без змін 😐 Може викинути? 😂 Посилання на коментар Поділитися на інших сайтах More sharing options...
ЯД Опубліковано: 17 лютого 2025 Поділитись Опубліковано: 17 лютого 2025 22 хвилини тому, Дорофеев Сергей сказав: Явно не 12 кВт. Уверен что не 380. Конечно 3 жилы. Допускаю 5. Но зачем там провод 4 жилы? Но берите 3 жилы конечно, потом 4 еще купите. Продавцам тоже кушать надо Посилання на коментар Поділитися на інших сайтах More sharing options...
Рекомендовані повідомлення
Створіть акаунт або увійдіть у нього для коментування
Ви маєте бути користувачем, щоб залишити коментар
Створити акаунт
Зареєструйтеся для отримання акаунта. Це просто!
Зареєструвати акаунтУвійти
Вже зареєстровані? Увійдіть тут.
Увійти зараз