jenkins Опубліковано: 1 грудня 2017 Поділитись Опубліковано: 1 грудня 2017 Он попал в любой открытый внутренний шов,потом прошел внутри пазогребневых блоков и вышел там где была возможность. Ведь в пазогребневых промазываются вертикально только "щеки". Первый ряд кто ложил? Есть умельцы которые ложат тупо насухо. Посилання на коментар Поділитися на інших сайтах More sharing options...
tansss Опубліковано: 1 грудня 2017 Поділитись Опубліковано: 1 грудня 2017 Он попал в любой открытый внутренний шов,потом прошел внутри пазогребневых блоков и вышел там где была возможность. Ведь в пазогребневых промазываются вертикально только "щеки". Т.е. дым мог зайти в третьем, втором ряду и спокойно выйти под первым почти по всей длине и в уровне вент фасада??? И это при том, что блоки уложены с перевязкой!? Посилання на коментар Поділитися на інших сайтах More sharing options...
JohnnyD Опубліковано: 1 грудня 2017 Автор Поділитись Опубліковано: 1 грудня 2017 Первый ряд кто ложил? Есть умельцы которые ложат тупо насухо. Те, кто и последующие. Я не знаю, что такое насухо. Первый ряд ложили на ЦП раствор с добавлением Адинола. Там может быть еще и так, что выходит не в горизонтальном шве, а вертикальном, так как блок свисает на 10 см. Точно не видно из-за утепленного цоколя. Но все слабые места обнаружены на тех блоках, которые свисают. Что на цоколе, что на фасаде. После вашего вопроса, я думаю все же так оно и есть. Добавлено через 8 минут Т.е. дым мог зайти в третьем, втором ряду и спокойно выйти под первым почти по всей длине и в уровне вент фасада??? И это при том, что блоки уложены с перевязкой!? Так и есть, но с уточнением. Мог выйти в ближайшем ряде. Т.е. если вошел в первых рядах, то где-то выйдет рядом, но не выйдет в районе вентфасада. Если выходит в районе вентфасада, то и вход где-то в верхних рядах. Мы проверяли ручной дуйкой. Например запустили вверху - мог выйти по середине стены. Запустили внизу - выходит в районе первого ряда. Но все они там, где свисают блоки на 10 см. Конечно можно сказать, что воздух следует по кратчайшему маршруту, но в примере "середина стены" кратчайшим был бы как раз цоколь. А там выходил дым, если запускали внизу. Посилання на коментар Поділитися на інших сайтах More sharing options...
tansss Опубліковано: 1 грудня 2017 Поділитись Опубліковано: 1 грудня 2017 я думаю все же так оно и есть. Тогда нечего переживать! "Поштукатурыця-помалюитця" все швы изнутри будут закрыты. 1 Посилання на коментар Поділитися на інших сайтах More sharing options...
jenkins Опубліковано: 1 грудня 2017 Поділитись Опубліковано: 1 грудня 2017 А там где вент фасад - там кудой сифонит? Насухо без клея или раствора между первым рядом блоков и фундаментом или рубероидом. Посилання на коментар Поділитися на інших сайтах More sharing options...
JohnnyD Опубліковано: 1 грудня 2017 Автор Поділитись Опубліковано: 1 грудня 2017 (змінено) Тогда нечего переживать! "Поштукатурыця-помалюитця" все швы изнутри будут закрыты. Так и будет. Важным был момент понять на сколько все хорошо или плохо и что можно сделать сейчас. И кое что сделал и еще сделаю. Т.е. так получилось, что у меня небольшие косяки и их легко исправить. Змінено 1 грудня 2017 користувачем JohnnyD Посилання на коментар Поділитися на інших сайтах More sharing options...
jenkins Опубліковано: 1 грудня 2017 Поділитись Опубліковано: 1 грудня 2017 www.stroimdom.com.ua/forum/showpost.php?p=4001351&postcount=27 тут есть 2 фото первого ряда - там клея между блоками почти никакого не видно совсем. www.stroimdom.com.ua/forum/showpost.php?p=4116482&postcount=39 тут видно верх под свесом на вентфасаде - там клея под свисающими блоками не видно. Не говорю что его там нету, но не видно точно. Посилання на коментар Поділитися на інших сайтах More sharing options...
JohnnyD Опубліковано: 1 грудня 2017 Автор Поділитись Опубліковано: 1 грудня 2017 А там где вент фасад - там кудой сифонит? Насухо без клея или раствора между первым рядом блоков и фундаментом или рубероидом. Там сифонит под утеплением и за мембраной. Вентфасад сделал раньше. Но точно так же, как и с цоколем - в р-не верхних свисающих блоков. Главное здесь - пазогребневый блок, к-й не полностью промазывается в вертикали и он свисает. Вот частично там и плохо промазаны вертикальные швы. Я раньше писал, что промазывал вертикальные швы по всему периметру из.-за того, что увидел несколько сквозняков. А эти места пропустил потому что нужно было промазывать под ними в горизонтале, но по сути это вертикаль. Первый ряд точно как описал, рубероида и иных рулонных не использовал. Посилання на коментар Поділитися на інших сайтах More sharing options...
JohnnyD Опубліковано: 1 грудня 2017 Автор Поділитись Опубліковано: 1 грудня 2017 тут есть 2 фото первого ряда - там клея между блоками почти никакого не видно совсем. Не говорю что его там нету, но не видно точно. Согласно рекомендациям Аерок:" В общем случае рекомендации таковы: если предполагается, что стены будут оштукатурены с двух сторон, то вертикальный шов может выполняться насухо, без заполнения клеем – это несколько повысит теплотехническую однородность кладки. Если же предполагается, что хотя бы с одной из сторон мокрой отделки не будет, то вертикальный шов должен быть заполнен частично – чтобы исключить продувание кладки." Вот эти места и промазаны. Но в то же время видим, что эта "щека" имеет размер менее 10 см. Вот и результат. 1 Посилання на коментар Поділитися на інших сайтах More sharing options...
jenkins Опубліковано: 1 грудня 2017 Поділитись Опубліковано: 1 грудня 2017 Согласно рекомендациям Аерок:" В общем случае рекомендации таковы: если предполагается, что стены будут оштукатурены с двух сторон, то вертикальный шов может выполняться насухо, без заполнения клеем – это несколько повысит теплотехническую однородность кладки. Если же предполагается, что хотя бы с одной из сторон мокрой отделки не будет, то вертикальный шов должен быть заполнен частично – чтобы исключить продувание кладки." Вот эти места и промазаны. Но в то же время видим, что эта "щека" имеет размер менее 10 см. Вот и результат. Все уже придумано до нас, и аэрок к этому имеет никакое отношение: СНиП 3.03.01-87 Несущие и ограждающие конструкции КЛАДКА ИЗ КЕРАМИЧЕСКОГО И СИЛИКАТНОГО КИРПИЧА, ИЗ КЕРАМИЧЕСКИХ, БЕТОННЫХ, СИЛИКАТНЫХ И ПРИРОДНЫХ КАМНЕЙ ПРАВИЛЬНОЙ ФОРМЫ 7.20. Горизонтальные и поперечные вертикальные швы кирпичной клад*ки стен, а также швы (горизонтальные, поперечные и продольные верти*кальные) в перемычках, простенках и столбах следует заполнять раство*ром, за исключением кладки впустошовку. 7.21. При кладке впустошовку глубина не заполненных раствором швов с лицевой стороны не должна превышать 15 мм в стенах и 10 мм (только вертикальных швов) в столбах. 1 Посилання на коментар Поділитися на інших сайтах More sharing options...
JohnnyD Опубліковано: 1 грудня 2017 Автор Поділитись Опубліковано: 1 грудня 2017 Все уже придумано до нас, и аэрок к этому имеет никакое отношение: СНиП 3.03.01-87 Несущие и ограждающие конструкции КЛАДКА ИЗ КЕРАМИЧЕСКОГО И СИЛИКАТНОГО КИРПИЧА, ИЗ КЕРАМИЧЕСКИХ, БЕТОННЫХ, СИЛИКАТНЫХ И ПРИРОДНЫХ КАМНЕЙ ПРАВИЛЬНОЙ ФОРМЫ Я ни разу не строитель и если бы изучал все СНИПы, ДБНы, то можно смело забивать на основную работу. В большинстве случаев придерживаются рекомендаций производителя или я не прав? В свою очередь производитель не должен нарушать нормы. Есть одно но, если эти нормы не отстают от времени. Я так понимаю, что этот СНИП 87 года и таких блоков тогда не было. У меня такой вопрос возникает - как нормально, зачем и почему в данных блоках необходимо промазывать всю пазо-гребневую часть? Посилання на коментар Поділитися на інших сайтах More sharing options...
Dmode Опубліковано: 1 грудня 2017 Поділитись Опубліковано: 1 грудня 2017 Когда мы локально изнутри подавали дым в угол с белым маркером, то часть его выходила снаружи в месте серого маркера (на фото посередине), а это метров 5 вдоль стены. Там точно дым никто не ожидал. Это до того как Женя запенил основные щели. Также интересная картина получилась при сопоставлении этих двух термограмм, до и после. Видно как поменялась температура стены в местах где двигался воздух. 1 Посилання на коментар Поділитися на інших сайтах More sharing options...
JohnnyD Опубліковано: 1 грудня 2017 Автор Поділитись Опубліковано: 1 грудня 2017 Когда мы локально изнутри подавали дым в угол с белым маркером, то часть его выходила снаружи в месте серого маркера Андрей, на сколько помню, то не совсем так было. Когда подавали в р-не белого маркера, то дым выходил в р-не цоколя. А вот когда подали выше белого маркера, но в том же углу, то дым вышел р-не серого маркера - в этом месте еще отсутствовала часть блока (штроба 10*10 см). Вот тогда немного и опешили, там реально метров 5. Подобное наблюдалось с противоположной стороны - подавали верху,выход в р-не вентфасада или двутавра. Вот этот угол с внутренней стороны 2 Посилання на коментар Поділитися на інших сайтах More sharing options...
JohnnyD Опубліковано: 1 грудня 2017 Автор Поділитись Опубліковано: 1 грудня 2017 По термограмме как раз и видно, что воздух двигался в горизонтали сверху и снизу. Между собой в вертикали не двигался. 1 Посилання на коментар Поділитися на інших сайтах More sharing options...
jenkins Опубліковано: 1 грудня 2017 Поділитись Опубліковано: 1 грудня 2017 По фото еще видно что тех 5см ваты дают имеют меньшую температуру чем просто газоблок, особенно при надувке дома. Еще непонятно почему цоколь так сверкает - разве он еще не утепленный? Кстати, а крышу не смотрели? Посилання на коментар Поділитися на інших сайтах More sharing options...
JohnnyD Опубліковано: 1 грудня 2017 Автор Поділитись Опубліковано: 1 грудня 2017 По фото еще видно что тех 5см ваты дают имеют меньшую температуру чем просто газоблок, особенно при надувке дома. Еще непонятно почему цоколь так сверкает - разве он еще не утепленный? Кстати, а крышу не смотрели? В тех местах (вентфасад) как раз использовались гладкие блоки D300 400 мм, потому что, не знаю как сейчас, Аэрок не выпускал пазогребневые в размере 400 мм D300. Цоколь утеплен 5 см ЭППС. Крышу не смотрели, хотя да, интересно было бы. 1 Посилання на коментар Поділитися на інших сайтах More sharing options...
jenkins Опубліковано: 1 грудня 2017 Поділитись Опубліковано: 1 грудня 2017 5см эппс и так сияет... походу надо делать больше... Посилання на коментар Поділитися на інших сайтах More sharing options...
JohnnyD Опубліковано: 1 грудня 2017 Автор Поділитись Опубліковано: 1 грудня 2017 5см эппс и так сияет... походу надо делать больше... Похоже на то. У меня еще есть 5 см зазор, но хотелось западающий цоколь. В общем компромисс и решение на сколько хочу снимать отмостку, откапываться, утепляться. Кстати, еще один плюс мягкой отмостки - нужно убрать, да пожалуйста. Как раз для электрики понадобится снимать и откапываться до закладной. 4 Посилання на коментар Поділитися на інших сайтах More sharing options...
Dmode Опубліковано: 1 грудня 2017 Поділитись Опубліковано: 1 грудня 2017 Андрей, на сколько помню, то не совсем так было. Когда подавали в р-не белого маркера, то дым выходил в р-не цоколя. А вот когда подали выше белого маркера, но в том же углу, то дым вышел р-не серого маркера - в этом месте еще отсутствовала часть блока (штроба 10*10 см). Вот тогда немного и опешили, там реально метров 5. Подобное наблюдалось с противоположной стороны - подавали верху,выход в р-не вентфасада или двутавра. Вот этот угол с внутренней стороны Наверное Ты прав, тестов много, Ты свой точно лучше помнишь чем я. Посилання на коментар Поділитися на інших сайтах More sharing options...
Dmode Опубліковано: 1 грудня 2017 Поділитись Опубліковано: 1 грудня 2017 И ради поржать провели тесты в хозблоке. Стены и кровля хорошо проветриваются(можно не переживать), дым валил везде. А вот и хозблок. 4 Посилання на коментар Поділитися на інших сайтах More sharing options...
blacktigra Опубліковано: 1 грудня 2017 Поділитись Опубліковано: 1 грудня 2017 Спасибо JohnnyD и Dmode за то, что делитесь результатами. Много полезной и нужной информации. 3 Посилання на коментар Поділитися на інших сайтах More sharing options...
jenkins Опубліковано: 1 грудня 2017 Поділитись Опубліковано: 1 грудня 2017 Вот она - паропроницаемость кирпичной кладки наглядно 1 Посилання на коментар Поділитися на інших сайтах More sharing options...
StNick Опубліковано: 1 грудня 2017 Поділитись Опубліковано: 1 грудня 2017 Внутри должна біть штукатурка Посилання на коментар Поділитися на інших сайтах More sharing options...
JohnnyD Опубліковано: 1 грудня 2017 Автор Поділитись Опубліковано: 1 грудня 2017 Вот она - паропроницаемость кирпичной кладки наглядно Зато вентилирует отлично. Там неотапливаемое помещение и всегда сухо 2 Посилання на коментар Поділитися на інших сайтах More sharing options...
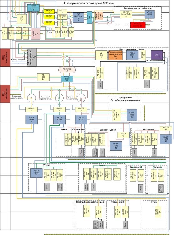
JohnnyD Опубліковано: 13 березня 2018 Автор Поділитись Опубліковано: 13 березня 2018 Да будет свет...Этот этап, на ряду с отоплением, один из самых приятных. Но если с отоплением выступал в роли слушателя, то в случае с электрикой выпала возможность и поучаствовать. За основу эл.схемы брал модель Dmode с внесением некоторых корректировок. В то же время искал что-нибудь для домашней автоматизации.Пару лет назад на этом форуме увидел обсуждение оборудования Loxone. У них в конфиге можно помоделировать в тестовом режиме. В принципе, по различным параметрам меня устроило. Опять же, спасибо за помощь Dmode. Схема предполагает наличие 2х основных групп - отключаемой (мастер кнопка через автоматику с помощью контактора) и неотключаемой (сигнализация, роутер, насосная станция, цирк.насос теплого пола, холодильник, эл.котел). Часть линий будет управляться напрямую от АВ, часть через реле. Под некоторые модули оставлены места, а именно АВ + УЗИП, переключатель на генератор, реле контроля тока, АВ на стабы. Их необходимость покажет время, кроме УЗИП скорее всего. Работы по части автоматики, сборки внутри шкафа выполнялись и будут еще продолжаться своими силами. Всю разводку, подключение всех кабельных линий на АВ или клеммы Wago выполнял свет2000 14 Посилання на коментар Поділитися на інших сайтах More sharing options...
Рекомендовані повідомлення
Створіть акаунт або увійдіть у нього для коментування
Ви маєте бути користувачем, щоб залишити коментар
Створити акаунт
Зареєструйтеся для отримання акаунта. Це просто!
Зареєструвати акаунтУвійти
Вже зареєстровані? Увійдіть тут.
Увійти зараз