Entheos Опубліковано: 2 січня 2014 Поділитись Опубліковано: 2 січня 2014 Перезаряда быть не может! НИКАК. Странно... а в инструкции написано что может... Тут не физика тут электроника+ схемотехника. ( диалог теряет смысл). обьясните с помощью электроники и схемотехники - а вдруг я пойму? Посилання на коментар Поділитися на інших сайтах More sharing options...
Artembond Опубліковано: 2 січня 2014 Поділитись Опубліковано: 2 січня 2014 --- Минимальный ток, при котором восстанавливается активная масса пластин, лимитируется токами утечки снаружи и падением напряжения на внутреннем сопротивлении зарядному току внутри АКБ. Если с первым обстоятельством можно бороться при помощи сухого резинового коврика и регулярных гигиенических процедур с тряпкой, то второе напрямую зависит от суммарной ёмкости батареи и мощности ЗУ. Когда внутреннее сопротивление зарядному току возрастает (а оно всегда возрастает по мере восстановления активной массы), а мощность ФЭП резко снижается из-за туч, наблюдается то, что наблюдается у Т.С. Остановка роста напряжения на клеммах. Вы не правы. Посилання на коментар Поділитися на інших сайтах More sharing options...
Serg-Solar Опубліковано: 2 січня 2014 Поділитись Опубліковано: 2 січня 2014 обьясните с помощью электроники и схемотехники - а вдруг я пойму? Гугл Вам в помощь , пользуйтесь поиском. инструкция на контроллер была намного проще чем это www.tusur.ru/filearchive/reports-magazine/2013-27-1/014.pdf Посилання на коментар Поділитися на інших сайтах More sharing options...
Artembond Опубліковано: 2 січня 2014 Поділитись Опубліковано: 2 січня 2014 Как? С точки зрения физики как он их "подгружает"?На ВАХ СБ есть точка максимального КПД. Которая зависит от температуры СБ. Посилання на коментар Поділитися на інших сайтах More sharing options...
Entheos Опубліковано: 2 січня 2014 Поділитись Опубліковано: 2 січня 2014 На ВАХ СБ есть точка максимального КПД. Которая зависит от температуры СБ. Простите, я не об этом. Вопрос в том, как контроллер может самостоятельно "подгрузить" сб Посилання на коментар Поділитися на інших сайтах More sharing options...
Larsen_bmw Опубліковано: 2 січня 2014 Автор Поділитись Опубліковано: 2 січня 2014 Мужчины, я тут. Не ругайтесь, счас разрулим как говорит мое чадо Ну во-первых про радиатор на контроллере, к чему вы его зацепили я пока "ниасилил", "асилю" как закончу отписываться. На самом деле он имеет место по одной причине, контроллер преобразовывает входное напряжение от СБ (в МРРТ до 150В) в зарядное для АКБ (48 В номинальных), КПД никак не 100% - потери идут в тепло. Теперь по сути основного вопроса. Специально съездил на объект и провел наблюдения, итак: Фото 1 - текущая выработка от массива СБ в ваттах и амперах Фото 2 - показания контрольного амперметра, фиксирующего все приходящее/уходящее на акумуляторах. Этот прибор точный. Фото 3 - Напряжение на 4-х группах АКБ в 12-ти вольтовом эквиваленте. Как видим, СБ дают 3,6А а котрольный амперметр фиксирует от силы 2А, есть расход мощности. 1,6А*52В=83Вт - это та мощность которая уходит на ХХ инверторов, контроллера и прочей мелочи, я упоминал ее в своем последнем посте. Теперь второе. Я пробыл возле приборов часа три, мощность СБ была примерно одинакова плюс/минус 50Вт. Напряжение на АКБ за этот период не росло и оставалось неизменным 13-13,1В. Посилання на коментар Поділитися на інших сайтах More sharing options...
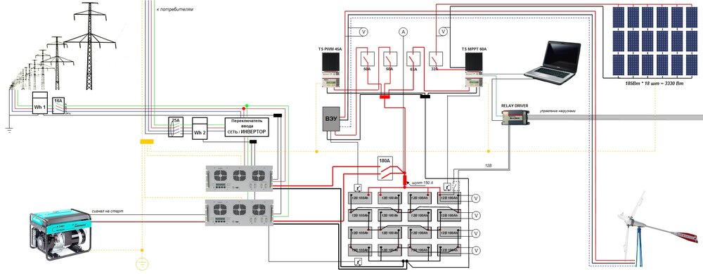
Larsen_bmw Опубліковано: 2 січня 2014 Автор Поділитись Опубліковано: 2 січня 2014 Алгоритм работы инвертора wsu bat min 49.2 wsu bat max 55.Ток заряда от сети 1 или 2А. И пару раз в месяц 58 от сети если нет солнца и ветра. Спасибо, а что это за параметры? Вы такие используете? Интересно! Добавлено через 14 минут Согласен с Artembond,сколь бы малым током не заряжались АКБ, они зарядятся до номинала, другое дело что по мере повышения напряжения на АКБ зарядный ток может падать до очень низких значений, так что может казаться что АКБ и не заряжаются. Но у меня другой вопрос возник: если контроллер СБ и ВЭУ посчитал 178 КВТч, значит он их "через себя пропустил", значит эта энергия ушла на заряд АКБ, но при этом от системы потребление только половина. Нонсенс. Только один возможный вариант - большой саморазряд из-за длительных простоев. Да нет же! Подскажите, как понятнее обьяснить? Критерием для начала учета потребления явлается повышение напряжения на АКБ, если этого не происходит-то инвертора не переключаются на генерацию, нет потребления. Есть учет "прихода" контроллерами -но нет "расхода". Я могу понизить порог переключения инвертора на генерацию, но получу недозаряд АКБ. Добавлено через 7 минут Если у вас там холодиник или телевизор работает, то он и не зарядится. Я бы задал режим constant-current до constant-voltage, если зарядка позволяет. А что такое зарядка в данном случае? В контроллере СБ четко прописываются паспортные данные АКБ, в контроллере ВЭУ только емкость в АЧ, в инверторах режим зарядки деактивирован. Добавлено через 3 минуты Как они работают, если ничего не заряжают? Если на клеммах СБ есть напряжение, но от АКБ они отключены, это значит что они не совершают никакой работы, и ни какие квтч контроллер при этом считать не должен. Разве нет? Запутался. Кто отключен? СБ подключены постоянно и работают по мере возможности. Инвертора при пониженном напряжении на АКБ переключаются на сеть. Я сейчас схему приложу, посмотрите. Да, вот еще что, в инверторах ЗУ отключено, весь заряд на АКБ идет только от ВЭУ и СБ, если его нет - АКБ не заряжаются вообще. 1 Посилання на коментар Поділитися на інших сайтах More sharing options...
Entheos Опубліковано: 3 січня 2014 Поділитись Опубліковано: 3 січня 2014 инвертора не переключаются на генерацию, нет потребления. Есть учет "прихода" контроллерами -но нет "расхода". если инвертора не переключаются на генерацию, значит ток от сб и вэу к инвертору равен нулю, а поскольку мощность есть I*U, то и выработка нулевая. Это как замерить напряжение в розетке, но не включить туда ничего. Контроллер видит напряжение сб - оно недостаточно для заряда акб, следовательно он не подключает сб на заряд и ток от них нулевой. О каком учете прихода может идти речь? Если я чего-то не понял растолкуйте плз. Добавлено через 5 минут Да, вот еще что, в инверторах ЗУ отключено, весь заряд на АКБ идет только от ВЭУ и СБ, если его нет - АКБ не заряжаются вообще. Может Вам есть смысл понизить порог включения сб и вэу на заряд, при приличном разряде батареи наберут большую часть мощности от сб и вэу, затем переключатся дотащат остальное от сети? Тогда сб и вэу работали бы больше времени, может и выработка была бы больше? 1 Посилання на коментар Поділитися на інших сайтах More sharing options...
Larsen_bmw Опубліковано: 3 січня 2014 Автор Поділитись Опубліковано: 3 січня 2014 Неожиданно посетила одна простая мысль. Если АКБ при токе заряда в 40А нужно 10 часов для заряда-то при вчерашнем токе в 2А им понадобится 200 часов, соответственно за неполных три часа, которые я пробыл возле системы я мог просто не увидеть увеличения напряжения. Такое может иметь место? Добавлено через 2 минуты если инвертора не переключаются на генерацию, значит ток от сб и вэу к инвертору равен нулю, а поскольку мощность есть I*U, то и выработка нулевая. Это как замерить напряжение в розетке, но не включить туда ничего. Контроллер видит напряжение сб - оно недостаточно для заряда акб, следовательно он не подключает сб на заряд и ток от них нулевой. О каком учете прихода может идти речь? Если я чего-то не понял растолкуйте плз. Добавлено через 5 минут Может Вам есть смысл понизить порог включения сб и вэу на заряд, при приличном разряде батареи наберут большую часть мощности от сб и вэу, затем переключатся дотащат остальное от сети? Тогда сб и вэу работали бы больше времени, может и выработка была бы больше? Контроллеры СБ и ВЭУ начинают заряд с нуля, этот порог не понизишь. А вот в инверторе я пожалуй на зиму активирую ЗУ, поставлю 2А допустим, все же АКБ повеселее будет, это да. А с вопросом о том куда делись 87Квт и почему зимой такой невеселый КПД, принимается ответ, что эта мощность ещемесячно тратится на ХХ инверторов и прчего оборудования, зимой выработка мала, затрата та же=КПД 50%. Летом выработка гораздо больше, затрата та же=КПД до 80%? Или еще пороем где собаку дели? 1 Посилання на коментар Поділитися на інших сайтах More sharing options...
Entheos Опубліковано: 3 січня 2014 Поділитись Опубліковано: 3 січня 2014 Или еще пороем где собаку дели? Похоже на саморазряд Добавлено через 38 секунд Такое может иметь место? конечно, так и есть Посилання на коментар Поділитися на інших сайтах More sharing options...
dechto Опубліковано: 3 січня 2014 Поділитись Опубліковано: 3 січня 2014 Спасибо, а что это за параметры? Вы такие используете? Интересно! Добавлено через 14 минут Да нет же! Подскажите, как понятнее обьяснить? Критерием для начала учета потребления явлается повышение напряжения на АКБ, если этого не происходит-то инвертора не переключаются на генерацию, нет потребления. Есть учет "прихода" контроллерами -но нет "расхода". Я могу понизить порог переключения инвертора на генерацию, но получу недозаряд АКБ. Добавлено через 7 минут А что такое зарядка в данном случае? В контроллере СБ четко прописываются паспортные данные АКБ, в контроллере ВЭУ только емкость в АЧ, в инверторах режим зарядки деактивирован. Добавлено через 3 минуты Запутался. Кто отключен? СБ подключены постоянно и работают по мере возможности. Инвертора при пониженном напряжении на АКБ переключаются на сеть. Я сейчас схему приложу, посмотрите. Да, вот еще что, в инверторах ЗУ отключено, весь заряд на АКБ идет только от ВЭУ и СБ, если его нет - АКБ не заряжаются вообще. Спасибо, а что это за параметры? Вы такие используете? Интересно!Это параметры инвертора US3, режим Солнце/Ветер. Да, использую. Это позволяет снять больше энергии с ветряка и солнечных панелей при малой освещенности и малом ветре, и не убивает аккумуляторы. Наример, такой же ветряк, как у Вас, в декабре выработал 100 квт/ч. Как это происходит. При разряде аккумуляторов до нижнего порога WSU bat min 49,2, включается заряд от сети. Заряд от сети происходит малым током - 1 А. Нагрузка потребителя ложится на сеть. И поскольку заряд идет малым током, то это позволяет заряжать аккумуляторы и ветром, и солнцем. 1 Посилання на коментар Поділитися на інших сайтах More sharing options...
Entheos Опубліковано: 3 січня 2014 Поділитись Опубліковано: 3 січня 2014 Larsen, мне вот какая мысль пришла. Вы написали, что нагрузка только холодильник. Думаю получается следующая ситуация: если после полного заряда АКБ (или даже просто когда напряжение сб или вэу ниже чем акб) отсутствует внешняя нагрузка, контроллеру ничего не остается как их просто не включать. Он бы их и включил, да некуда. Вот и получается, что Вы недополучаете киловатты, плюс сокращается полезное время работы системы и отсюда саморазряд. Как с этим бороться? Может сделать следующее: включить функцию зарядки АКБ от сети, после чего повысить нагрузку, насколько позволяет ситуация. Это обеспечит Вам 2 вещи: -гарантированный отбор энергии от сб и вэу, даже если не идет заряд акб. сейчас у Вас при малом напряжении заряд акб не идет, и если при этом нет нагрузки, Вы просто теряете киловатты. -отсутствие недозаряда акб, т.к. они дозарядятся от сети -сокращение времени простоя системы до минимума Что думаете? Посилання на коментар Поділитися на інших сайтах More sharing options...
Serg-Solar Опубліковано: 3 січня 2014 Поділитись Опубліковано: 3 січня 2014 Думаю получается следующая ситуация: если после полного заряда АКБ (или даже просто когда напряжение сб или вэу ниже чем акб) отсутствует внешняя нагрузка, контроллеру ничего не остается как их просто не включать. Когда аккумуляторы полностью заряжены ,контроллер заряда переходит в режим Float – Поддержка, при этом напряжение на аккумуляторах устанавливается на уровне 13.4В. СБ при этом не отключаются. (это Ваши личные фантазии). Добавлено через 2 минуты включить функцию зарядки АКБ от сети, после чего повысить нагрузку Предлагаете обогреватель на 2000Вт поставить и греть улицу? Написали-нагрузка которая необходима это холодильник и все. Добавлено через 3 минуты Это обеспечит Вам 2 вещи: 1-сокращение времени простоя системы до минимума Что думаете? 2--увеличение циклов в аккумуляторах и как следствие уменьшение срока службы Плохая идея, давайте другую. Посилання на коментар Поділитися на інших сайтах More sharing options...
Larsen_bmw Опубліковано: 7 січня 2014 Автор Поділитись Опубліковано: 7 січня 2014 Всех с Рождеством!!! Прошу прощения за молчание, обстоятельства не давали посидеть на форуме. Похоже на саморазряд Пока не согласен. Дело в том, что если бы мощность которую мы ищем терялась на АКБ-то контрольный амперметр фиксировал бы поступление этой мощности на АКБ, тоесть его показания совпадали бы с показаниями амперметроа на контроллере СБ. А он как раз показывает, что искомый нами ток на АКБ не попал, стало быть исчез за пределами аккумуляторов. А за пределами только инвертора и контроллеры. Это все конечно надо перемерять хотябы клещами, займусь в субботу. А вот на такой вопрос хотелось бы иметь ответ и мне. Производители инверторов указывают в мануале вот такие данные: Потребляемая мощность на холостом ходу при работе от аккумуляторов (без нагрузки), не более, Вт - 27. Максимальный КПД - 88% Если инвертор работает от сети, он отбирает какую либо мощность от АКБ? Пусть те же 27 Ватт к примеру? Я-то это вычислю в субботу, но хотелось бы знать наверняка, что по этому поводу говорят производители. Добавлено через 4 минуты Это параметры инвертора US3, режим Солнце/Ветер. Да, использую. Это позволяет снять больше энергии с ветряка и солнечных панелей при малой освещенности и малом ветре, и не убивает аккумуляторы. Наример, такой же ветряк, как у Вас, в декабре выработал 100 квт/ч. Как это происходит. При разряде аккумуляторов до нижнего порога WSU bat min 49,2, включается заряд от сети. Заряд от сети происходит малым током - 1 А. Нагрузка потребителя ложится на сеть. И поскольку заряд идет малым током, то это позволяет заряжать аккумуляторы и ветром, и солнцем. У меня в принципе все так же, bat min только 50В, bat min on 57,6 и зарядка не активна. Ок, спасибо, думаю дать 1-2А зарядного тока от инвертора и понизить bat min on, посмотрим что получится. Вы могли бы дать ответ на мой вопрос выше? Тянет ли на себя инвертор ток с АКБ работая от сети? Добавлено через 4 минуты Larsen, мне вот какая мысль пришла. Вы написали, что нагрузка только холодильник. Думаю получается следующая ситуация: если после полного заряда АКБ (или даже просто когда напряжение сб или вэу ниже чем акб) отсутствует внешняя нагрузка, контроллеру ничего не остается как их просто не включать. Он бы их и включил, да некуда. Вот и получается, что Вы недополучаете киловатты, плюс сокращается полезное время работы системы и отсюда саморазряд. Как с этим бороться? Может сделать следующее: включить функцию зарядки АКБ от сети, после чего повысить нагрузку, насколько позволяет ситуация. Это обеспечит Вам 2 вещи: -гарантированный отбор энергии от сб и вэу, даже если не идет заряд акб. сейчас у Вас при малом напряжении заряд акб не идет, и если при этом нет нагрузки, Вы просто теряете киловатты. -отсутствие недозаряда акб, т.к. они дозарядятся от сети -сокращение времени простоя системы до минимума Что думаете? Смысл понял, так и есть. При заряженных до отказа АКБ часть выработки уходит на режим Float а часть теряется, но в моем случае это врядли. Днем нагрузка приличная, не только холодильник. Я писал выше, что днем, почти постоянно работает скважинный насос 1,3Квт и к нему в плюс телик, холодильник, и прочая мелочь, так что нагрузки хватает. И на страже стоит тепловентилятор на 1Квт, им управляет блок Морнингстар РД-1, если что включает его на утилизацию излишков. 1 Посилання на коментар Поділитися на інших сайтах More sharing options...
Serg-Solar Опубліковано: 8 січня 2014 Поділитись Опубліковано: 8 січня 2014 А вот на такой вопрос хотелось бы иметь ответ и мне. Производители инверторов указывают в мануале вот такие данные: Потребляемая мощность на холостом ходу при работе от аккумуляторов (без нагрузки), не более, Вт - 27. Максимальный КПД - 88% Если инвертор работает от сети, он отбирает какую либо мощность от АКБ? Пусть те же 27 Ватт к примеру? Я-то это вычислю в субботу, но хотелось бы знать наверняка, что по этому поводу говорят производители. При работе от сети потребление ИБП составляет 5-7Вт, при работе от АКБ 27Вт. Добавлено через 3 минуты Вы могли бы дать ответ на мой вопрос выше? Тянет ли на себя инвертор ток с АКБ работая от сети? Нет не берет от АКБ ничего. 1 Посилання на коментар Поділитися на інших сайтах More sharing options...
Leader9 Опубліковано: 8 січня 2014 Поділитись Опубліковано: 8 січня 2014 При работе от сети с аккумуляторов потребления не должно идти вообще. Другими словами, то что будет браться с аккумов как "накладные расходы" (27 Вт) должно на них подаваться в виде доп подзарядки в это же время - ерунда получается... упс, пока писал уже ответили ... 1 Посилання на коментар Поділитися на інших сайтах More sharing options...
Seva1964 Опубліковано: 8 січня 2014 Поділитись Опубліковано: 8 січня 2014 Нет не берет от АКБ ничего. --- Да или нет, можно проверить мультиметром. Если между "+" клеммой инвертора и "+" АКБ есть падение напряжения, значит есть ток. Если есть ток, по знаку падения и положению измерительных щупов, известно его направление. Посилання на коментар Поділитися на інших сайтах More sharing options...
Larsen_bmw Опубліковано: 8 січня 2014 Автор Поділитись Опубліковано: 8 січня 2014 --- Да или нет, можно проверить мультиметром. Если между "+" клеммой инвертора и "+" АКБ есть падение напряжения, значит есть ток. Если есть ток, по знаку падения и положению измерительных щупов, известно его направление. В субботу проверю. Хотя по логике конечно с АКБ тянуть ничего не должно при работе от сети. Посилання на коментар Поділитися на інших сайтах More sharing options...
tollyn Опубліковано: 11 січня 2014 Поділитись Опубліковано: 11 січня 2014 Да или нет, можно проверить мультиметром. Если между "+" клеммой инвертора и "+" АКБ есть падение напряжения, значит есть ток. Если есть ток, по знаку падения и положению измерительных щупов, известно его направление. Амперметром проверить можна. Но вольтметром по падению напряжения врятли. Падение будет на грани погрешности вольтметра. Тем более потребляет не шина(провод) между клемами инвертора и аккумулятора, а инвертор. Если конечно потребляет. Посилання на коментар Поділитися на інших сайтах More sharing options...
Serg-Solar Опубліковано: 11 січня 2014 Поділитись Опубліковано: 11 січня 2014 Амперметром проверить можна При этом не забыть уменьшить зарядный ток до "0". Посилання на коментар Поділитися на інших сайтах More sharing options...
Seva1964 Опубліковано: 11 січня 2014 Поділитись Опубліковано: 11 січня 2014 вольтметром по падению напряжения врятли. --- У Т.С. есть реальная возможность замерять и подтвердить/опровергнуть ваше "врятли". Посилання на коментар Поділитися на інших сайтах More sharing options...
Larsen_bmw Опубліковано: 14 січня 2014 Автор Поділитись Опубліковано: 14 січня 2014 Только сегодня попытался померять Во-первых какая-то совершенная непонятка с клещами, в свободном состоянии они показывают ток 1,9-2,0А (Фото 1) Прибор новый, правда лежит с лета без дела, может батарейки заменить? Инвертора при работе от сети не потребляют от АКБ ничего. (Фото 3) И новая каверза Похоже что контроллер СБ приписывает себе лишнюю выработку. (Фото 2) Если от показаний на клещах - 6,55А отнять показания до измерения - 2А получится 4,55А. А контроллер показывает 5,58А Ну вот такие "корявые" измерения я провел, надо клещи искать путевые. Посилання на коментар Поділитися на інших сайтах More sharing options...
Serg-Solar Опубліковано: 14 січня 2014 Поділитись Опубліковано: 14 січня 2014 Похоже что контроллер СБ приписывает себе лишнюю выработку. (Фото 2) Если от показаний на клещах - 6,55А отнять показания до измерения - 2А получится 4,55А. А контроллер показывает 5,58А Ну вот такие "корявые" измерения я провел, надо клещи искать путевые. Какой смысл приписывать, это не китаезкий но нейм, у Вас хороший блок с репутацией. а вот клещи...плюс минус 1-2 А это легко, бывает до 5-7а Посилання на коментар Поділитися на інших сайтах More sharing options...
Larsen_bmw Опубліковано: 14 січня 2014 Автор Поділитись Опубліковано: 14 січня 2014 Какой смысл приписывать, это не китаезкий но нейм, у Вас хороший блок с репутацией. а вот клещи...плюс минус 1-2 А это легко, бывает до 5-7а Надо толковые тогда где-то взять, хоть напрокат хоть как. Развинчивать соединения и ставить амперметр нехочется совсем Посилання на коментар Поділитися на інших сайтах More sharing options...
matrot Опубліковано: 14 січня 2014 Поділитись Опубліковано: 14 січня 2014 Во-первых какая-то совершенная непонятка с клещами, в свободном состоянии они показывают ток 1,9-2,0А : (ссылка устарела) стр. 6 2. Удалите измеряемый проводник из трансформаторных клещей. 3. Нажмите REL∆, для обнуления показания. 1 Посилання на коментар Поділитися на інших сайтах More sharing options...
Рекомендовані повідомлення
Створіть акаунт або увійдіть у нього для коментування
Ви маєте бути користувачем, щоб залишити коментар
Створити акаунт
Зареєструйтеся для отримання акаунта. Це просто!
Зареєструвати акаунтУвійти
Вже зареєстровані? Увійдіть тут.
Увійти зараз