standov Опубліковано: 13 квітня 2020 Автор Поділитись Опубліковано: 13 квітня 2020 Вы сделали сначала потолок из гипсокартона а потом примкнули к нему штукатуркой ? Гипс - штукатурка ) у меня штукатурный потолок, на фото 2 Посилання на коментар Поділитися на інших сайтах More sharing options...
xPavelx Опубліковано: 13 квітня 2020 Поділитись Опубліковано: 13 квітня 2020 Гипс - штукатурка ) у меня штукатурный потолок, на фото Вот оно че. я думал так уже не делают. Посилання на коментар Поділитися на інших сайтах More sharing options...
standov Опубліковано: 13 квітня 2020 Автор Поділитись Опубліковано: 13 квітня 2020 Вот оно че. я думал так уже не делают. Ну скоро я так понимаю и гк делать не будут ) У мен по архитектуре на 1эт тонкий 2см потолок и откосы под потолок, варанто либо так либо натяжной, в таком выборе мне выбор очевиден )) 1 Посилання на коментар Поділитися на інших сайтах More sharing options...
standov Опубліковано: 14 квітня 2020 Автор Поділитись Опубліковано: 14 квітня 2020 Оперативный план идет пока по плану ) Поштукатурены стены. Стартуем отбивку осей пола под керамогранит По плитке Пол закуплен весь 1этаж польский Cerrad Woodmax Nugat В СУ стены белая матовая Paradyz Ceramica Esten Bianco + стена душа вырвиглазной китайской мозаикой (жена захотела) 1 Посилання на коментар Поділитися на інших сайтах More sharing options...
Energon Опубліковано: 14 квітня 2020 Поділитись Опубліковано: 14 квітня 2020 Человек предполагает а энтропия располагает. Все наши планы были цинично пересраны хозяйкой арендуемого таунхауса, за кредит по которому она не платила с 2007 года. Под риском силового выселения родиорсь антикризисное решение - быстро сделать 45-50 квадратов в своем доме, поставить перегородку, скрепить слезами и соплями и за месяц-полтора въехать. Выбран подрядчик, закуплены материалы, двери, сантехника на 1су и погнали. Штукатурка стен цементная, потолок гипс, пол керамогранит, скрытые плинтуса и двери, стены под покраску. Колекторы приходили? Посилання на коментар Поділитися на інших сайтах More sharing options...
standov Опубліковано: 14 квітня 2020 Автор Поділитись Опубліковано: 14 квітня 2020 Колекторы приходили? пока только бумажку о выселении наклеили, по опыту соседнего тайнхауса до выселения месяца 2-2,5, но думаю карантин внесет тоже изменения Посилання на коментар Поділитися на інших сайтах More sharing options...
dushes86 Опубліковано: 14 квітня 2020 Поділитись Опубліковано: 14 квітня 2020 Про плинтусы скрытые интересно, нашлепайте фоток в процессе, плз Посилання на коментар Поділитися на інших сайтах More sharing options...
standov Опубліковано: 14 квітня 2020 Автор Поділитись Опубліковано: 14 квітня 2020 Про плинтусы скрытые интересно, нашлепайте фоток в процессе, плз после мозгового штурма решили что-бы ничего не повредить и не создавать себе лишний геморрой - помонтировали планки под штукатуркой, которые теперь снимаем и получается с запасом ниша под люмяшку, которая выставляется в уровень и зашпаклевывается в ноль. не знаю делают так или нет, но я ничего проще не придумал. Вариант "резать штукатурку" отклонили как трудоемкий и главное, опасный в плане порезать проводку 1 Посилання на коментар Поділитися на інших сайтах More sharing options...
standov Опубліковано: 15 квітня 2020 Автор Поділитись Опубліковано: 15 квітня 2020 Времена карантина - выбор подоконника по картинке в интернете, в общем счиьаю что прииерно угадал. Тополит орех, в общем годненько 3 Посилання на коментар Поділитися на інших сайтах More sharing options...
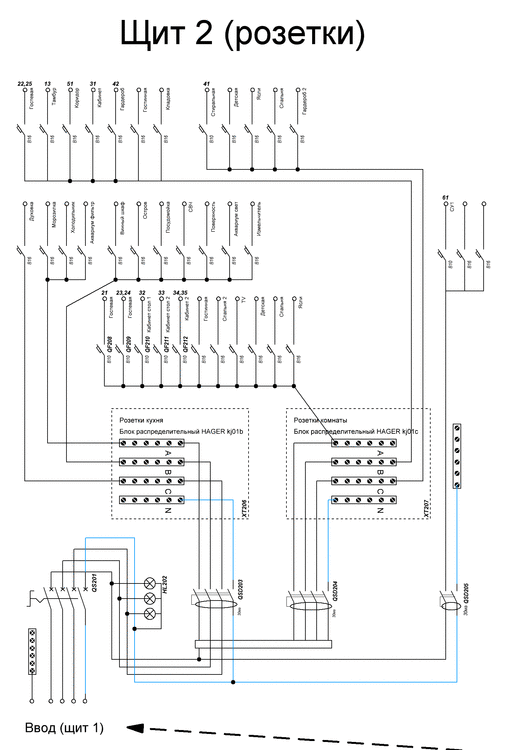
standov Опубліковано: 17 квітня 2020 Автор Поділитись Опубліковано: 17 квітня 2020 срочно подчищаю "хвосты". Дошло дело до розеток и розеточного щита. По розеткам решил остановится на gira55 - по дизайну графит на белых стенах но деньги и вот это все, решил купить самые дешевые белые без рамок по минимуму, а потом без спешки и экономии плавно поменять им вставки и докупить рамки. По электрике добиваю розеточный щит, начал с того что дооформил схему и перемаркировал "хвосты". Щит трехфазный, первая фаза "инверторная" две остальные "силовые", розетки сгруппированы так что есть стационарная не критичная техника и розетки куда удобно "втыкать пылесос" а есть розетки которые "слаботочные"/критичные - те на инверторной фазе. Плюс распределительные блоки для изменения схемы - ввод пока 3*16а и вопрос балансировки фаз будет в полный рост 1 Посилання на коментар Поділитися на інших сайтах More sharing options...
razzil Опубліковано: 17 квітня 2020 Поділитись Опубліковано: 17 квітня 2020 А освещение на стабилизаторе висит? Посилання на коментар Поділитися на інших сайтах More sharing options...
standov Опубліковано: 17 квітня 2020 Автор Поділитись Опубліковано: 17 квітня 2020 А освещение на стабилизаторе висит? на инверторе. 1 фаза (инвертор) - свет, критичные "малотоковые" розетки и бойлерная. 2-3 фаза стабы там все остальное. Пока это только план, инвертор в хозяйстве маломощный и банок мало да и он пока на текущем жилье трудится, перекочует сюда на первое время но почти наверняка скважинный насос придется перебросить на 2-3 фазы, по пусковому его существующий инвертор не вытянет 1 Посилання на коментар Поділитися на інших сайтах More sharing options...
standov Опубліковано: 17 квітня 2020 Автор Поділитись Опубліковано: 17 квітня 2020 По плитке на пол - керамогранит длинный, площадь центрального помещения огромная да еще и полный ее обзор со второго этажа. Раскладка 1/3 и тп не понравилась своей бросающейся в глаза "регулярностью". Выбрали вот такую "псевдо-случайную" с чередованием в 8 рядов. Окончательный эффект от выбора сейчас не увидим к сожалению - гостинную пока не делаем но думаю будет норм. 1 Посилання на коментар Поділитися на інших сайтах More sharing options...
shneider_vova Опубліковано: 17 квітня 2020 Поділитись Опубліковано: 17 квітня 2020 потом без спешки и экономии плавно поменять им вставки и докупить рамки. а вот надо было сразу спросить. проблема в том, что вставки (по крайней мере в розетках) нельзя поменять! не продаются они отдельно (по крайней мере мне не продали). мне пришлось на фартук кухни покупать новые розетки из-за вставки (первоначально не планировали фартук, поэтому цвет был другой) и насчет рамок. я взял специально сразу простые белые, так как не рискнул эксплуатировать вообще без рамок - дети малые как никак. потом где надо, заменил на красивые и дорогие Добавлено через 1 минуту По плитке на пол - керамогранит длинный, площадь центрального помещения огромная да еще и полный ее обзор со второго этажа. Раскладка 1/3 и тп не понравилась своей бросающейся в глаза "регулярностью". Выбрали вот такую "псевдо-случайную" с чередованием в 8 рядов. Окончательный эффект от выбора сейчас не увидим к сожалению - гостинную пока не делаем но думаю будет норм. я просто плиточнику сказал - хочу случайную раскладку, он сделал. насколько понимаю, не привязывался ни к каким "псевдо" 1 Посилання на коментар Поділитися на інших сайтах More sharing options...
standov Опубліковано: 17 квітня 2020 Автор Поділитись Опубліковано: 17 квітня 2020 а вот надо было сразу спросить. проблема в том, что вставки (по крайней мере в розетках) нельзя поменять! не продаются они отдельно (по крайней мере мне не продали). мне пришлось на фартук кухни покупать новые розетки из-за вставки (первоначально не планировали фартук, поэтому цвет был другой) и насчет рамок. я взял специально сразу простые белые, так как не рискнул эксплуатировать вообще без рамок - дети малые как никак. потом где надо, заменил на красивые и дорогие на ебее все есть )) тут понятно что если к сроку то сложно а если никто никуда не подгоняет то можно и подождать. Вообще у меня был и такой вариант что 6 штук белых так или иначе уйдут в места не доступные глазу (стиралка, шкаф, за кроватью, гардероб), потому все вставки которые оказываются "лишними" после докупки даже розеток в сборе лишними не будут. Про рамки я потому 2 и взял - пойдут в комнату малой, а остальное ждет. Я все никак не могу опрелиться с серией, есприт это жир но как посмотрю на цену так легкое ощущение лохотрона не покидает, может e3, в общем с рамками все сложно а цена на них странная, взял самый-самый минимум Добавлено через 39 секунд я просто плиточнику сказал - хочу случайную раскладку, он сделал. насколько понимаю, не привязывался ни к каким "псевдо" я так не могу, мне нужно "контролировать" ситацию ))) Добавлено через 4 минуты на ебее все есть ) не, прогнал то на выключатели есть. ну значит план Б - белые на стационарные приборы где не видно, за одно и экономия. ставлю сейчас где нужны, потому покупаю антрацит - вставки меняю местами не перекручивая розеток Посилання на коментар Поділитися на інших сайтах More sharing options...
shneider_vova Опубліковано: 17 квітня 2020 Поділитись Опубліковано: 17 квітня 2020 пойдут в комнату малой, а остальное ждет детки ходят не только по своей комнате. Посилання на коментар Поділитися на інших сайтах More sharing options...
standov Опубліковано: 17 квітня 2020 Автор Поділитись Опубліковано: 17 квітня 2020 детки ходят не только по своей комнате. факт, но у меня малая сама находится только в своей комнате, в другое время она либо с нами либо на улице да и все-же вставка изолирует самое критичное, и риск отсутствия рамки в больше степени про пораниться механически. Понятно что лучше с ними но если делать везде то это будет ощутимо (а главное в мусорник) а делать не везде так это мало чем отличается от того что будет у меня Посилання на коментар Поділитися на інших сайтах More sharing options...
shneider_vova Опубліковано: 17 квітня 2020 Поділитись Опубліковано: 17 квітня 2020 то это будет ощутимо ну тысячи 2, не больше. там кроме поранится, можно и гвоздик засунуть Посилання на коментар Поділитися на інших сайтах More sharing options...
standov Опубліковано: 17 квітня 2020 Автор Поділитись Опубліковано: 17 квітня 2020 ну тысячи 2, не больше. там кроме поранится, можно и гвоздик засунуть гвоздик можно и в розетку засунуть, и даже удобнее, тем более что ваши розетки без шторок (шторки это вообще боль) ;) у меня вот правда нет с этим проблем сейчас, да когда малая ползала и все проверяла то конечно там и закрывали все и тд и тп, а теперь она все знает что розетки и интереса нет никакого Посилання на коментар Поділитися на інших сайтах More sharing options...
standov Опубліковано: 17 квітня 2020 Автор Поділитись Опубліковано: 17 квітня 2020 Приехали вкладки в встроенные сифоны, один на стиралку, второй на умывальник, на стиралку с шариком-обратным клапаном(мне точно лишнее но как есть). Сделаны классно - качественный пластик, заварено, резинки, полупрозрачная "задняя" панель. Минус только что умывальниковый под 32мм, но не смертельно 2 Посилання на коментар Поділитися на інших сайтах More sharing options...
Vikctor Опубліковано: 17 квітня 2020 Поділитись Опубліковано: 17 квітня 2020 ...Минус только что умывальниковый под 32мм, но не смертельно А в чём здесь минус? Посилання на коментар Поділитися на інших сайтах More sharing options...
standov Опубліковано: 17 квітня 2020 Автор Поділитись Опубліковано: 17 квітня 2020 А в чём здесь минус? На 40 проще купить ) Посилання на коментар Поділитися на інших сайтах More sharing options...
Сергей НСТ Опубліковано: 17 квітня 2020 Поділитись Опубліковано: 17 квітня 2020 (змінено) Простите невежду, а в чем собственно смысл этих девайсов? Что они позволяют реализовать? Гуглил, не понИл ) Змінено 17 квітня 2020 користувачем Сергей НСТ Посилання на коментар Поділитися на інших сайтах More sharing options...
Vikctor Опубліковано: 17 квітня 2020 Поділитись Опубліковано: 17 квітня 2020 На 40 проще купить ) Вы сейчас про кухонную мойку или обычную для СУ? Если первое, то согласен. Если второе, то стандартный вывод канальи из стены для них таки 32мм. Посилання на коментар Поділитися на інших сайтах More sharing options...
standov Опубліковано: 17 квітня 2020 Автор Поділитись Опубліковано: 17 квітня 2020 П торостите невежду, а в чем собственно смысл этих девайсов? Что они позволяют реализовать? Гуглил, не понИл ) Я тут ранее растекался ) они ничего эдакого не позволяют смысл очень простой - я хочу встроенные сифоны, в основном экономия места, но не хочу муровать улитку намертво как у большинства встроенных, нашлись вот эти с элегантным, как мне кажется, решением - улитка отдельно, универсальная коробка отдельно, улитка вынимается, моется, меняется. Из побочного бонуса например я в любой момент могу заменить улитку на двухсосковую если захочу поставить сушилку например, но это очень вторично Добавлено через 45 секунд Вы сейчас про кухонную мойку или обычную для СУ? Если первое, то согласен. Если второе, то стандартный вывод канальи из стены для них таки 32мм. Обе две, у меня и на кухне и в су такие системы потому везде 32 будет Посилання на коментар Поділитися на інших сайтах More sharing options...
Рекомендовані повідомлення
Створіть акаунт або увійдіть у нього для коментування
Ви маєте бути користувачем, щоб залишити коментар
Створити акаунт
Зареєструйтеся для отримання акаунта. Це просто!
Зареєструвати акаунтУвійти
Вже зареєстровані? Увійдіть тут.
Увійти зараз