semengv Опубліковано: 25 березня 2016 Поділитись Опубліковано: 25 березня 2016 Если вода из скважины по критериям "питьевой" не удовлетворительна, т Этот вариани я пока не имею ввиду - живу в квартире пока. Посилання на коментар Поділитися на інших сайтах More sharing options...
Dmode Опубліковано: 25 березня 2016 Автор Поділитись Опубліковано: 25 березня 2016 Мне кажется тут прекрасное решение - солнечные панели с минимальным аккумулятором.Для 300м3/ч чтобы с -16С поднять т-ру до -5, то есть для замены ГТ в режиме антизамерзания рекуператора, нужно будет около 1.1кВт в час, или 26кВт*ч в сутки. Сможет ли такая система стабильно каждый день и ночь, независимо от погоды и облачности, выдавать эту мощность? Грунт точно сможет, и будет существенно дешевле и надежней чем система солнечных панелей которая сможет обеспечить бесперебойную отдачу в 1.1кВт в час. 2 Посилання на коментар Поділитися на інших сайтах More sharing options...
-electron- Опубліковано: 26 березня 2016 Поділитись Опубліковано: 26 березня 2016 А Ви який розрахунок мали на увазі: міцності/вітровий чи теплотехнічний? Теплотехнічний. Цікавить опір тепловтрат. Але мабуть доведеться ручками порахувати, формула там не складна. Просто хотів автоматизувати процес. Та і для обрахунку треба площі вираховувати і довжину дистанції. Посилання на коментар Поділитися на інших сайтах More sharing options...
Dmode Опубліковано: 26 березня 2016 Автор Поділитись Опубліковано: 26 березня 2016 Теплотехнічний. Цікавить опір тепловтрат. Але мабуть доведеться ручками порахувати, формула там не складна. Просто хотів автоматизувати процес. Та і для обрахунку треба площі вираховувати і довжину дистанції. А для чого Вам рахувати опір профіля, коли кожен виробник надає ці дані по своїй продукції? Посилання на коментар Поділитися на інших сайтах More sharing options...
-electron- Опубліковано: 26 березня 2016 Поділитись Опубліковано: 26 березня 2016 А для чого Вам рахувати опір профіля, коли кожен виробник надає ці дані по своїй продукції? Я не профіля опір рахувати хотів, а готового вікна. Тобто комплекту в якому: склопакет, дистанція, профіль. Посилання на коментар Поділитися на інших сайтах More sharing options...
jenkins Опубліковано: 26 березня 2016 Поділитись Опубліковано: 26 березня 2016 Для 300м3/ч чтобы с -16С поднять т-ру до -5, то есть для замены ГТ в режиме антизамерзания рекуператора, нужно будет около 1.1кВт в час, или 26кВт*ч в сутки. Сможет ли такая система стабильно каждый день и ночь, независимо от погоды и облачности, выдавать эту мощность? Грунт точно сможет, и будет существенно дешевле и надежней чем система солнечных панелей которая сможет обеспечить бесперебойную отдачу в 1.1кВт в час. Я говорил не про подогрев от солнечных батарей, а про запитку насоса прокачки воды в случае с водяным грунтовым контуром. Там мощность не нужна большая, и для него хватит солнечных батарей. 1 Посилання на коментар Поділитися на інших сайтах More sharing options...
blacktigra Опубліковано: 26 березня 2016 Поділитись Опубліковано: 26 березня 2016 Dmode, какой у вас паяльник для ППР? Посилання на коментар Поділитися на інших сайтах More sharing options...
Dmode Опубліковано: 26 березня 2016 Автор Поділитись Опубліковано: 26 березня 2016 Я говорил не про подогрев от солнечных батарей, а про запитку насоса прокачки воды в случае с водяным грунтовым контуром. Там мощность не нужна большая, и для него хватит солнечных батарей.Мне пока не понятно как считать такой грунтовый контур, какая длина должна быть, на какой глубине, какой диаметр трубы, какой теплообменник, какие получатся температуры на выходе... Добавлено через 3 минуты Dmode, какой у вас паяльник для ППР?Какой-то из этих, 2101 или 2102, сейчас не вспомню. 2 Посилання на коментар Поділитися на інших сайтах More sharing options...
Mlyki Опубліковано: 26 березня 2016 Поділитись Опубліковано: 26 березня 2016 Я теж на початковому етапі будівництва будинку, думаю про гТА закопати трубу в грунт під будинок на глубину 40-50см. так як зверху ще засиплю на висоту 35-50см на висоту цоколя мінус товщину утеплення 10см. і чорнову стяжку 8-10см. Посилання на коментар Поділитися на інших сайтах More sharing options...
Dmode Опубліковано: 26 березня 2016 Автор Поділитись Опубліковано: 26 березня 2016 Я теж на початковому етапі будівництва будинку, думаю про гТА закопати трубу в грунт під будинок на глубину 40-50см. так як зверху ще засиплю на висоту 35-50см на висоту цоколя мінус товщину утеплення 10см. і чорнову стяжку 8-10см. Раджу перед цим визначитись що саме Ви хочете отримати від цієї труби, який об'єм повітря будете через неї проходити, які температури і опір отримаєте. Посилання на коментар Поділитися на інших сайтах More sharing options...
Mlyki Опубліковано: 26 березня 2016 Поділитись Опубліковано: 26 березня 2016 В трубу планую літом заганяти теплу воду від геліосистеми або використовувати як кондиціонер , а взимку буде видно від температури грунту під будинком. Діаметр думаю 30-35мм. з довжиною контурів по 25-30м. Посилання на коментар Поділитися на інших сайтах More sharing options...
sov1178 Опубліковано: 28 березня 2016 Поділитись Опубліковано: 28 березня 2016 Мне вот интерессно, если вместо воздуха в систему запустить некую незамерзайку, а теплообмен устроить перед тем самым рекуператором. На ФХ была тема Энергоэффективный дом в трехречье - там такая система реализована. 1 Посилання на коментар Поділитися на інших сайтах More sharing options...
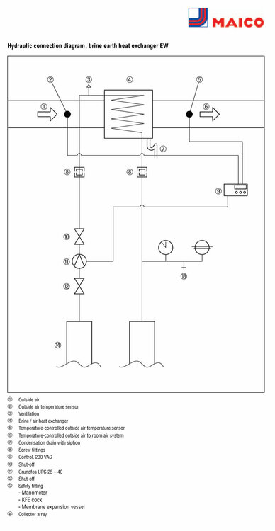
Dmode Опубліковано: 30 березня 2016 Автор Поділитись Опубліковано: 30 березня 2016 Мне вот интерессно, если вместо воздуха в систему запустить некую незамерзайку, а теплообмен устроить перед тем самым рекуператором. Тоесть грунт по прежнему будет давать холод или тепло для воздуха, но приточный воздух будет иметь гораздо меньший путь наружу. Нашел у Майко рекомендации для такой системы предподогрева. Они рекомендуют следущее: коллекторная система для минимизации потерь давления контура длиной не более 50м из PE-HP трубы 32х2.9мм. общая длина контуров из расчета 0.5м длины на 1м3 воздуха, но не менее 100м для небольших систем. глубина заложения 1.2-1.5м одинаковая длина контуров для обеспечения равной скорости теплоносителя паралельная укладка на расстоянии мин 0.5м между собой и мин 1м от фундамента мин. радиус поворота трубы в зависимости от температуры воздуха 20С-0.7м / 10С-1.2м / 0С-1.7мжелательно трубу размещать в защитном слое песка 0.4м минимизировать воздушные включения в грунте желательно обеспечить или хотя бы не препятсвовать насыщению грунта влагой не застраивать поверхность над контурами максимальное давление в системе не более 1.5bar расширительный бачек на 0.8-1% объема системы, манометр, группа безопасности гликоль как теплоноситель, смесь 25% гликоль/вода рекомендуется для внешней температуры -15С. Интересно почему они не рекомендуют глубину ниже 2м, объясняя это снижением теплопередачи от поверхности трубы, если я правильно понял (?) (at a depth of 2 metres the heat dissipated from the surface decreases). Также если принять, что грунтовый воздушный теплообменник будет вместе со своим входным фильтром увеличивать сопротивление системы на 60-100 Па, то увеличится и потребление вентилятора при заданном объеме, и это увеличение может быть на уровне или даже больше чем потребление циркуляционного насоса в системе грунт-вода-воздух. Так что системы по энергопотреблению приблизительно равны. Еще надо бы просчитать стоимость материалов для обоих систем. 5 Посилання на коментар Поділитися на інших сайтах More sharing options...
blacktigra Опубліковано: 30 березня 2016 Поділитись Опубліковано: 30 березня 2016 Нашел у Майко рекомендации для такой системы предподогрева. Думаю, такая система подойдет для случаев когда уже совсем больше нечем заняться, и денег некуда девать. У варианта с закопанной канальей преимуществ больше. Посилання на коментар Поділитися на інших сайтах More sharing options...
jenkins Опубліковано: 30 березня 2016 Поділитись Опубліковано: 30 березня 2016 общая длина контуров из расчета 0.5м длины на 1м3 воздуха, но не менее 100м для небольших систем. Что имеется ввду под 1м3 воздуха? Не совсем понял смысл написанного минимизировать воздушные включения в грунте Тоже не совсем понял о каких включениях речь Интересно почему они не рекомендуют глубину ниже 2м, объясняя это снижением теплопередачи от поверхности трубы, если я правильно понял (?) (at a depth of 2 metres the heat dissipated from the surface decreases). Там следующее предложение - на глубине 1.2-1.5м температура колеблится от 7 до 13 градусов -оптимально для нагрева и охлажения зимой и летом. При глубине 2м я так понял там температура всегда одна и та же (допустим 7 градусов). Плюс там сначала о геологии написано - может быть там на 2м глубины грунт какой то неподходящий попался. Вобщем поверим им наслово Думаю, такая система подойдет для случаев когда уже совсем больше нечем заняться, и денег некуда девать. У варианта с закопанной канальей преимуществ больше. Каких? Посилання на коментар Поділитися на інших сайтах More sharing options...
Dmode Опубліковано: 30 березня 2016 Автор Поділитись Опубліковано: 30 березня 2016 Думаю, такая система подойдет для случаев когда уже совсем больше нечем заняться, и денег некуда девать. Почему? У варианта с закопанной канальей преимуществ больше.Ну у нее есть и свои минусы. Также есть у меня опасения по поводу близости септика к планируемому грунтовому теплообменнику, потому как участок очень маленький. Не хотелось бы через некоторое время почувствовать результат инфильтрации в трубу. Тогда будет уже поздно переделывать после окончания благоустройства. С пнд трубой инфильтрация от септика не страшна. Добавлено через 9 минут Что имеется ввду под 1м3 воздуха? Не совсем понял смысл написанного Имеется ввиду производительность системы. Если например вы расчитываете систему на 300м3/ч то общая длина контуров должна быть не менее 300*0.5=150м Тоже не совсем понял о каких включениях речь насколько я понял имеется ввиду что земля возле трубы должна быть плотной, а не насыпанной кое-как. Иначе повышенное к-во воздуха ухудшит теплообмен. Посилання на коментар Поділитися на інших сайтах More sharing options...
blacktigra Опубліковано: 30 березня 2016 Поділитись Опубліковано: 30 березня 2016 Почему? Каких? Вариант с канальей проще. Нет насоса, нет фитингов, т.е. потенциальных мест утечек и поломок. Гликоль более текуч, поэтому качество резьбовых соединений должной быть лучше, чем на воде. Эффективность гликолевого контура всегда хуже непосредственного теплообмена между воздухом и стенкой пластиковой трубы. Стоимость теплообменника, насоса, РБ, фитингов выйдет немаленькой, при чуть худшем эффекте по энергоэффективности на выходе. Также есть у меня опасения по поводу близости септика к планируемому грунтовому теплообменнику Это частный случай, понятно что всегда нужно смотреть по конкретной ситуации. Какой-то смысл в такой системе появляется в том случае, если используется грунтовой тепловой насос. Тогда можно отбирать гликоль для подогрева приточного воздуха, и добавится только стоимость воздушного теплообменника. 1 Посилання на коментар Поділитися на інших сайтах More sharing options...
jenkins Опубліковано: 30 березня 2016 Поділитись Опубліковано: 30 березня 2016 Также есть у меня опасения по поводу близости септика к планируемому грунтовому теплообменнику, потому как участок очень маленький. Не хотелось бы через некоторое время почувствовать результат инфильтрации в трубу. Тогда будет уже поздно переделывать после окончания благоустройства. С пнд трубой инфильтрация от септика не страшна. Мне кажется этой трубой даже можно обмотать септик вокруг, тем самым частично забирая обратно тепло сточных вод. 1 Посилання на коментар Поділитися на інших сайтах More sharing options...
blacktigra Опубліковано: 30 березня 2016 Поділитись Опубліковано: 30 березня 2016 Мне кажется этой трубой даже можно обмотать септик вокруг, тем самым частично забирая обратно тепло сточных вод. Хорошая идея, только это надо предусматривать на этапе обустройства септика. 1 Посилання на коментар Поділитися на інших сайтах More sharing options...
JohnnyD Опубліковано: 30 березня 2016 Поділитись Опубліковано: 30 березня 2016 Какую оптимальную использовать трубу для воздушного грунтового теплообменника? (интересует теплообмен+безвредность при наименьшей стоимости - как-то так). Нужно ли мостить на дно щебень и сверху укладывать утеплитель? Или просто трубы укладываются в песчаную почву? Например по расчету необходимый объем воздуха - 270-300 м3. На входе приточная без рекуператора, на выходе естественная через шахты. Правильный ли расчет длины труб во вложении для текущих данных? Посилання на коментар Поділитися на інших сайтах More sharing options...
Vikctor Опубліковано: 30 березня 2016 Поділитись Опубліковано: 30 березня 2016 Не хотелось бы через некоторое время почувствовать результат инфильтрации в трубу. ... С пнд трубой инфильтрация от септика не страшна. Я как то с трудом представляю инфильтрацию через ПВХ трубы. Соединения тоже вроде резинками уплотняются. Можно и герметик при желании использовать. В конце концов в непосредственной близости от септика можно обойтись без соединений - у Остендорфа трубы есть и по 4м, у Магнапласта есть и по 6м. Посилання на коментар Поділитися на інших сайтах More sharing options...
jenkins Опубліковано: 30 березня 2016 Поділитись Опубліковано: 30 березня 2016 Еще как мысль: воздушный грунтовый теплообменник подходит к дому, далее заходит в рекуператор, и сразу же выходит на улицу. Второй вход рекуператора выходит на улицу, а выход - это приточный воздух в дом. По сути с помощью такого рекуператора воздух который проходит через грунт с потенциальным загрязнением сразу же будет уходить на улицу. Кстати, вместо тысячи слов - берем канализационную трубу новую метровую (можно в эпицентре прямо) суем нос внутрь и наслаждаемся чистым свежим запахом пластика... Честно говоря приятного мало. Посилання на коментар Поділитися на інших сайтах More sharing options...
Roman_T Опубліковано: 30 березня 2016 Поділитись Опубліковано: 30 березня 2016 Скажите пожалуйста, кто Вам делал дизайн санузлов, и какие установлены входные двери. Посилання на коментар Поділитися на інших сайтах More sharing options...
Dmode Опубліковано: 30 березня 2016 Автор Поділитись Опубліковано: 30 березня 2016 (змінено) Какую оптимальную использовать трубу для воздушного грунтового теплообменника? (интересует теплообмен+безвредность при наименьшей стоимости - как-то так). Нужно ли мостить на дно щебень и сверху укладывать утеплитель? Или просто трубы укладываются в песчаную почву? Например по расчету необходимый объем воздуха - 270-300 м3. На входе приточная без рекуператора, на выходе естественная через шахты. Имхо щебень под трубой противопоказан, лучше песок. Диаметр оптимальный по сопротивлению 200мм. Более эффективный вариант укладки по схеме Тихельмана (паралельные участки), менее эффективный просто одна труба. Оптимально по цене думаю будет обычная рыжая труба, других вариантов не вижу. У рехау есть спецтруба с антибактериальным покрытием ф200мм но оптимальной по цене ее не назовешь. Правильный ли расчет длины труб во вложении для текущих данных? Что это за расчет? Откуда он? Трудно что либо сказать по нему не зная его исходный данных. Софт рехау, для климата Польши с температурой холодной пятидневки как в Киеве (-22С) показывает следующие результаты для глубины 1.7м и 300м3/ч, для схемы простой трубы 200мм (5 поворотов): длина 30м на выходе -9.7С, падение давления 33Па длина 60м на выходе -3.2С, падение давления 55Па длина 90м на выходе +0.2С, падение давления 78Па для глубины 1.7м и 200м3/ч: длина 30м на выходе -6.9С, падение давления 15Па длина 60м на выходе -0.6С, падение давления 26Па длина 90м на выходе +2.0С, падение давления 37Па для глубины 1.7м и 150м3/ч: длина 30м на выходе -4.5С, падение давления 9Па длина 60м на выходе +0.8С, падение давления 16Па длина 90м на выходе +2.7С, падение давления 22Па Варианты глубины для 300м3/ч и длины 60м: глубина 1м на выходе -4.7С глубина 2м на выходе -2.6С глубина 3м на выходе -1.2С глубина 6м на выходе +0.1С Варианты глубины для 150м3/ч и длины 60м: глубина 1м на выходе -1.0С глубина 2м на выходе +1.5С глубина 3м на выходе +3.3С глубина 6м на выходе +4.8С Добавлено через 2 минуты Скажите пожалуйста, кто Вам делал дизайн санузлов, и какие установлены входные двери. Дизайн санузлов делал сам. Входные двери (в дом) KASKI (Fenestra). Змінено 30 березня 2016 користувачем Dmode 3 Посилання на коментар Поділитися на інших сайтах More sharing options...
valeru Опубліковано: 30 березня 2016 Поділитись Опубліковано: 30 березня 2016 Добрый день! Подскажите, что за плитка на стенах в с/у и высоту столешницы под раковиной. Спасибо . Посилання на коментар Поділитися на інших сайтах More sharing options...
Рекомендовані повідомлення
Створіть акаунт або увійдіть у нього для коментування
Ви маєте бути користувачем, щоб залишити коментар
Створити акаунт
Зареєструйтеся для отримання акаунта. Це просто!
Зареєструвати акаунтУвійти
Вже зареєстровані? Увійдіть тут.
Увійти зараз